Renesas Electronics ISL85014 Evaluierungsboard

Das ISL85014 Evaluierungsboard von Renesas/Intersil ist zur Evaluierung des ISL85014 synchronen Abwärtsregler mit hohem Wirkungsgrad ausgelegt. Dieses Evaluationsboard arbeitet mit einer Eingangsversorgung von 3,8 V bis 18 V und einem Ausgangs-Konstantstrom von 14 A.

The Renesas Electronics ISL85014EVAL1Z Evaluation Board features a pre-mounted ISL85014 in a space-saving 3.5mm x 3.5mm TQFN-15 package. The Evaluation Board provides an example application circuit, allowing rapid prototyping when incorporated into existing designs.

Merkmale

  • Switch selectable EN (enabled/disabled)
  • Frequency synchronization option
  • Jumper selectable mode (DEM/Forced CCM)
  • Jumper selectable OCP mode (Hiccup/Latch-off)
  • Jumper selectable frequency (600kHz/300kHz)
  • Connectors and test points for easy probing
  • Compact design

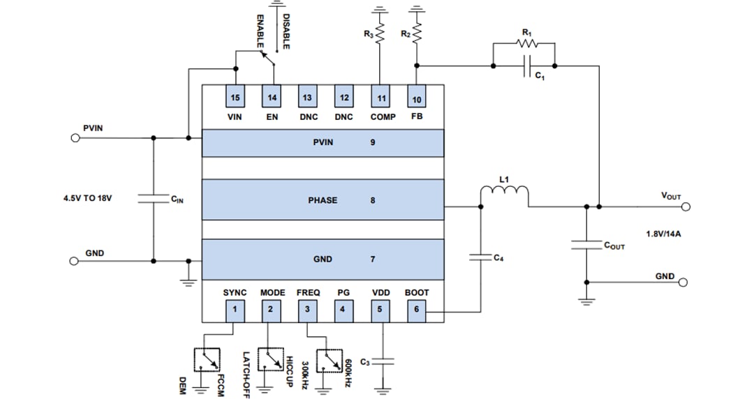
Block Diagram

Blockdiagramm - Renesas Electronics ISL85014 Evaluierungsboard

Board Layout

Renesas Electronics ISL85014 Evaluierungsboard
Veröffentlichungsdatum: 2017-06-19 | Aktualisiert: 2022-06-30