Renesas Electronics ISL81807 Synchroner 80-V-Dual-Boost-Controller

Der Renesas Electronics ISL81807 synchrone 80-V-Dual-Boost-Controller erzeugt zwei unabhängige Ausgänge oder einen Ausgang mit zwei verschachtelten Phasen für verschiedene Industrie- und Universal-Applikationen. Mit großen Eingangs-/Ausgangsspannungsbereichen eignet sich der Regler für Telekommunikation, Rechenzentren und Computerapplikationen. Der ISL81807 bietet eine Gate-Treiber-Spannung von 5,3 V. Mit einer kleinen Totzeit-Einstellung eignet sich der Regler hervorragend für E-Modus-GaN-FET-Bauteile.

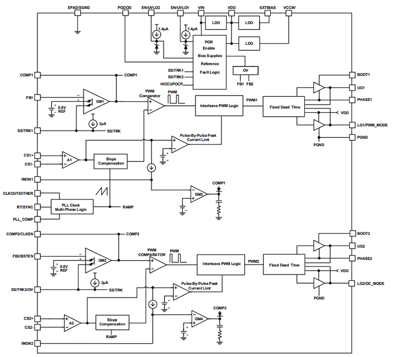
Der 32-polige, 5 mm x 5 mm große ISL81807 im TQFN-Gehäuse verwendet eine Spitzenstromregelung mit Phasenverzahnung für die beiden Ausgänge. Jeder Ausgang verfügt über eine Stromüberwachung, einen Spannungsregler und einen durchschnittlichen Stromregler, um eine unabhängige durchschnittliche Spannungs- und Stromsteuerung zu bieten. Ein interner Phasenregelschleifen-Oszillator (PLL) gewährleistet genaue Frequenzeinstellungen von 100 kHz bis 2 MHz. Der Oszillator kann mit einem externen Taktsignal für die Frequenzsynchronisierung und Phasenverschachtelungs-Parallelapplikationen synchronisiert werden. Diese PLL-Schaltung gibt ein phasenverschiebungs-programmierbares Taktsignal für die Mehrphasen-Kaskaden-Synchronisierung mit der erforderlichen verschachtelten Phasenverschiebung aus.

Der ISL81807 von Renesas verfügt über einen programmierbaren Sanftanlauf, genaue Schwellenwert-Freigabefunktionen und eine Power-Good-Anzeige zur Vereinfachung der Stromversorgungsschienen-Sequenzierung. Um eine hohe Zuverlässigkeit zu gewährleisten, bietet das Bauteil vollständige Schutzfunktionen, wie z. B. OVP, UVP, OTP und Mittel-/Spitzenstrombegrenzung an beiden Ausgängen.

Merkmale

  • Breiter Eingangsspannungsbereich von 4.5V bis 80V
  • Großer Ausgangsspannungsbereich von 5 V bis 80 V
  • 5,3 V Gate-Treiber-Spannung
  • 4 x FET-Treiber
  • Konstante Ausgangsspannungs- und Ausgangsstrom-Rückkopplungsschleifensteuerung
  • Verbesserung des Wirkungsgrads bei geringer Last, Dioden-Emulation mit niedriger Welligkeit und Burst-Modus-Betrieb
  • Programmierbarer Sanftanlauf
  • Unterstützt ein Einschalten in vorgespannte Schienen
  • Programmierbarer Frequenzbereich: 100 kHz bis 2 MHz
  • Unterstützt Stromaufteilung mit Kaskaden-Phasenverschachtelung
  • Externe Taktsynchronisierung
  • Takt-Out mit exaktem Phasenwinkel, der über PLL oder Frequenz-Dithering gesteuert wird
  • P-GOOD-Anzeige
  • Eingangsstromüberwachung
  • Wählbarer Modus zwischen PWM/DE/Burst
  • ±2 % Genauer EN/UVLO-Schwellenwert
  • Niedriger 5 µA Abschaltstrom
  • OCP (Impuls-für-Impuls und optionaler Hiccup- oder Konstantstrommodus), OVP-, OTP- und UVP-Schutzfunktionen

Applikationen

  • Telekommunikation
  • Server und Rechenzentren
  • Fahrzeugelektronik
  • Industrie-Ausstattung
  • Leistungssysteme

Typische Applikation

Applikations-Schaltungsdiagramm - Renesas Electronics ISL81807 Synchroner 80-V-Dual-Boost-Controller

Blockdiagramm

Blockdiagramm - Renesas Electronics ISL81807 Synchroner 80-V-Dual-Boost-Controller
Veröffentlichungsdatum: 2023-12-11 | Aktualisiert: 2024-01-08