Renesas Electronics ISL8117 Synchronous Step-down PWM Controllers

Renesas Electronics ISL8117 Synchronous Step-down PWM Controllers are synchronous buck controllers used to generate POL voltage rails and bias voltage rails for a wide variety of applications in industrial and general-purpose segments. The wide input and output voltage ranges of the ISL8117 PWM Controllers make them suitable for telecommunication and after-market automotive applications. These devices use the valley current modulation technique to bring hassle-free power supply design with a minimal number of components and complete protection from unwanted events. The ISL8117 PWM Controllers offer programmable soft-start and enable functions along with a power-good indicator for ease of supply rail sequencing and other housekeeping requirements.

The Renesas Electronics ISL8117 Synchronous Step-down PWM Controllers are available in a space-conscious 4mm x 4mm QFN-16 and an easy to assemble 6.4mm x 5mm HTSSOP-16 package. Both package options feature an exposed pad to improve thermal dissipation and noise immunity. 

Features

  • Wide 4.5V to 60V input voltage range
  • Wide 0.6V to 54V output voltage range
  • Light-load efficiency enhancement
  • Low ripple diode emulation mode with pulse skipping
  • Programmable soft-start
  • Supports pre-biased output with SR soft-start
  • 100kHz to 2MHz programmable frequency range
  • External sync
  • PGOOD indicator
  • Forced PWM
  • Adaptive shoot-through protection
  • No external current sense resistor
  • Use lower MOSFET RDS(ON)
  • Complete protection
  • Overcurrent, overvoltage, over-temperature, undervoltage
  • Package options
    • 4mm x 4mm QFN-16
    • 6.4mm x 5mm HTSSOP-16
  • Pb-free and RoHS compliant

Applications

  • PLC and factory automation
  • Amusement machines
  • Security surveillance
  • Server and data centers
  • Switcher and routers
  • Telecom and datacom
  • LED panels

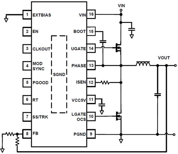
Typical Application Circuit

Application Circuit Diagram - Renesas Electronics ISL8117 Synchronous Step-down PWM Controllers
Veröffentlichungsdatum: 2015-06-10 | Aktualisiert: 2022-03-11