Renesas Electronics ISL78083 Automotive-Kamera-Leistungsmanagement-IC
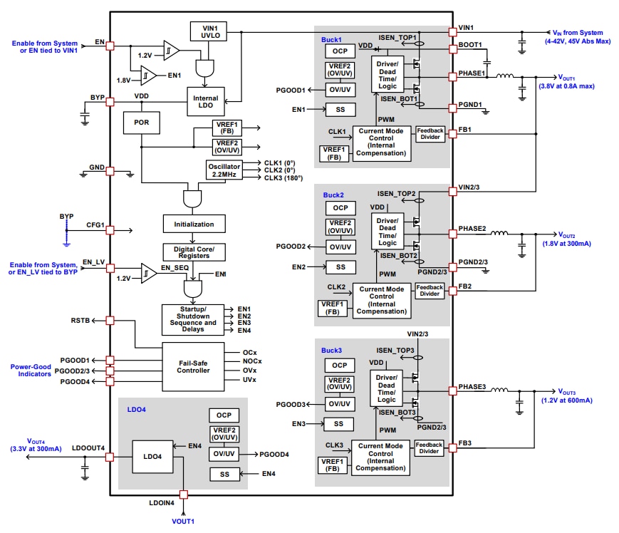
Der Renesas Electronics ISL78083 Automotive-Kamera-Leistungsmanagement-IC ist ein vielseitiger Leistungs-IC mit mehreren Schienen. Er verfügt über einen primären synchronen Hochspannungs-Abwärtsregler, zwei sekundäre synchrone Niederspannungs-Abwärtsregler und einen LDO-Regler. Darüber hinaus bietet das Bauteil vier Überspannungs- und Unterspannungsüberwachungen, drei Power-Good-Anzeigen und eine Reset-Ausgangs-/Fehleranzeige. Zur Begrenzung von Ausfällen infolge gemeinsamer Ursache enthält der ISL78083 eine zweite Referenz für die OV-/UV-Überwachungen, die unabhängig von der Referenz der Regler ist.Merkmale
- VIN -Betriebsbereich von 4,0 V bis 42 V mit einem Startbereich von 4,5 V bis 42 V
- Feste Schaltfrequenz: 2,2 MHz mit optionaler Pseudo-zufälliger Frequenzspreizung
- Drei synchrone Abwärtswandler mit interner Kompensation und einem LDO
- BUCK1-Ausgangsbereich: 3,3 V bis 5,05 V
- BUCK2-Ausgangsbereich: 1,0 V bis 3,3 V
- BUCK3-Ausgangsbereich: 1,0 V bis 3,3 V
- LDO4-Ausgangsbereich: 2,8 V bis 3,4 V
- Ausgangs-UV-/OV-Schwellenwerte, OTP: ±4 %, ±6 %, ±8 %, ±12 %
- Einschalt-/Ausschaltsequenz und Verzögerung des OTP
- Optionale Ausgangsentladung auf Buck2, Buck3 und LDO4
- Strom bei VIN -Eingang bei Abschaltung: < 1 µA (typisch)
- Schutzfunktionen
- Eingangsspannungs-UVLO
- Ausgangs-OV/-UV
- Positive und negative Strombegrenzungen auf Bucks
- Überstromschutz auf internen und Ausgangs-LDOs
- Ausfallsicherer Controller
- CRC von OTP-Registern
- OTP-Hiccup- oder Latch-Off-Fehlerreaktion
Applikationen
- Rück- und Rundumsicht-HD-Automotive-Kameras
- Fahrerüberwachungskameras
- HD-Dashcam
Blockdiagramm
ISL78083 Automotive-PMIC
Veröffentlichungsdatum: 2020-01-14
| Aktualisiert: 2024-04-15
