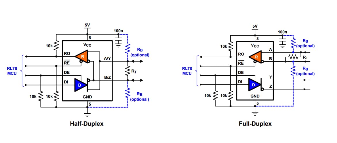
Renesas Electronics ISL315xE RS-485/RS-422-Differential-Transceiver
Die ISL315xE RS-485-/RS-422-Differential-Transceiver von Renesas/Intersil verfügen über einen hohen Ausgangsantrieb und einen hohen ESD-Schutz. Die ISL315xE-Produktfamilie umfasst Halb- und Vollduplex-Transceiver mit Active-High-Treiber-Freigabe-Pins und Active-Low-Empfänger-Freigabe-Pins. Die ISL315xE Transceiver sind gemäß IEC61000-4-2 gegen ESD-Entladungen von ±16,5 kV ohne Latch-up beständig. Das Bauteil verfügt über eine große Ausgangsspannung von 3,1 V (typisch) in einer 54-Ω-Last, bietet eine hohe Rauschimmunität und ermöglicht den Antrieb von Bus-Segmenten mit einer Reichweite von bis zu 8.000 Fuß (2,438 m) oder acht 120-Ω-Anschlüsse in einer Sterntopologie.Die ISL315xe RS-485-/RS-422-Differential-Transceiver bieten Bus-Eingangsströme von weniger als 125 µA, was eine echte 1/8-Einheitslast ermöglicht. Der hohe Ausgangsantrieb zusammen mit den niedrigen Bus-Eingangsströmen ermöglicht den Anschluss von bis zu 512 Transceivern auf demselben Bus.
Die Empfängereingänge verfügen über ein vollständig ausfallsicheres Design, das die Empfängerausgänge hochschaltet, wenn die Buseingänge offen oder kurzgeschlossen sind. Die ISL315xE Transceiver unterstützen Datenraten von 115 kBit/s, 1 MBit/s und 20 MBit/s mit einer Temperaturleistung von -40 °C bis +85 °C.
Merkmale
- Hohe VOD von 3,1 V (typisch) in RD = 54 Ω
- Niedrige Busströme: 125 µA stellt eine echte 1/8-Einheitslast dar
- Lässt bis zu 32 Transceiver am Bus zu
- ESD-Schutz von ±16,5 kV auf den Bus-I/O-Pins
- Hohe transiente Überspannungstoleranz: ±100 V
- Vollständig ausfallsichere Ausgänge für offene oder kurzgeschlossene Eingänge
- Hot-Plug-Fähigkeit - Treiber- und Empfängerausgänge bleiben während des Ein- und Ausschaltens hochohmig
- Unterstützte Datenraten: 115 kBit/s, 1 MBit/s, 20 MBit/s
- Niedriger Versorgungsstrom (bei deaktiviertem Treiber) von 550 µA
- Extrem niedriger Abschaltstrom von 70 nA
Applikationen
- Automatisierte E-Zählerablesungssysteme
- Zählersysteme mit einer hohen Anzahl Knoten
- PROFIBUS- und Feldbussysteme in der Fabrikautomatisierung
- Sicherheitskameranetzwerke
- Industrie-/Prozess-Steuerungsnetzwerke
- Beleuchtungs-, Aufzug- und HLK-Steuerungssysteme in der Gebäudeautomatisierung
- Netzwerke mit Sterntopologie
- Langstreckennetze in Kohlebergwerken und Ölförderanlagen
Veröffentlichungsdatum: 2019-11-21
| Aktualisiert: 2023-09-26
