Renesas Electronics ISL29501-CS-EVKIT1Z Evaluierungskit
Das Renesas ISL29501-CS-EVKIT1Z Evaluierungskit ist ein Referenzdesign und ein Evaluierungsoard-Satz, der eine einzige Plattform zur Evaluierung der Funktionen der ISL29501 Abstandsdetektoren bietet. Darüber hinaus kombiniert das Kit den ISL29501 Chip mit der OSRAM SFH 4550 IR-emittierenden LED und der OSRAM SFH 213FA Fotodiode. Das Kit enthält ein USB-Flash-Bauteil mit Evaluierungssoftware für einen PC und die zugehörigen technischen Dokumente.Merkmale
- Eigenständiges Messsystem
- Ermöglicht die Näherungserkennungs- und Entfernungsmessung
- Emitter-DAC mit programmierbaren Strom bis zu 255 mA
- Funktioniert im kontinuierlichen oder Einzelbildmodus
- Aktive On-Chip-Umgebungslichtunterdrückung
- Geregelter Strom von einer USB- oder externen Versorgung von 2,7 V bis 3,3 V
- I2C-Schnittstelle unterstützt 1,8-V- und 3,3-V-Bus
- Kleine Größe von 38 mm x 20 mm
Technische Daten
- Mikro-USB-2.0-Anschluss
- 5 V VIN (USB-Leistung)
- 225 mA IDD (max.)
- 70 mW P-optisches Maximum
- Wellenlänge: 860 nm
- Optisches Tastverhältnis von max. 50 %
- Emissionswinkel: ±3º
- Kein kohärentes Licht
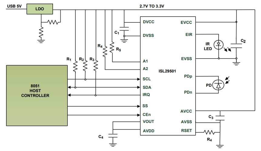
Blockdiagramm
Veröffentlichungsdatum: 2019-12-10
| Aktualisiert: 2023-10-09
