Renesas Electronics ICL3221E RS-232-Schnittstellen-ICs

Renesas Electronics ICL3221E RS-232-Schnittstellen-ICs sind mit 3,0 V bis 5,5 V betriebene RS-232-Sender/Empfänger, die die ElA/TIA-232- und V.28/V.24-Spezifikationen selbst bei VCC= 3,0 V erfüllen. Darüber hinaus bieten die Bauteile einen ESD-Schutz von ±15 kV (IEC61000-4-2 Luftspalt und Human-Body-Modell) an den Sender-Ausgängen und Empfänger-Eingängen (RS-232-Pins).

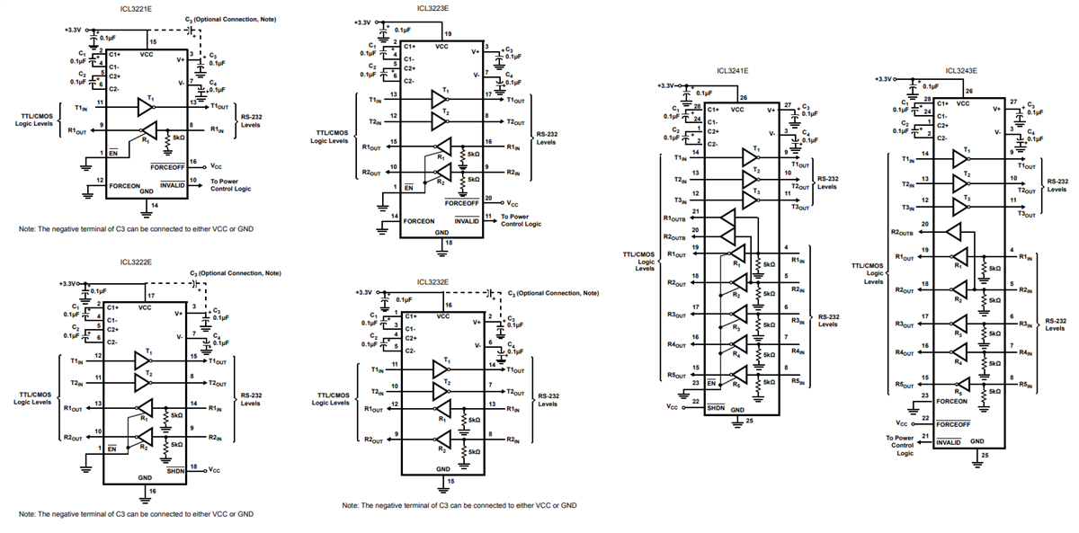
Der ICL3221E verfügt über eine automatische Abschaltfunktion, die das On-Chip-Netzteil und die Treiberschaltungen ausschaltet. Die Abschaltung erfolgt, wenn ein angeschlossenes Peripherie-Bauteil ausgeschaltet oder das RS-232-Kabel entfernt wird, wodurch Systemstrom automatisch ohne Änderungen an der Hardware oder dem Betriebssystem gespart wird. Diese Bauteile schalten sich automatisch wieder ein, wenn eine gültige RS-232-Spannung auf einem Empfängereingang angelegt wird.

Merkmale

  • ESD-Schutz für RS-232-I/O-Pins von bis zu ±15 kV (IEC61000)
  • Drop-in-Ersatz für den MAX3221E
  • Stromsparendes, Pin-kompatibles Upgrade
  • RS-232-kompatibel mit VCC= 2,7 V
  • Erfüllt die Spezifikationen von EIA/TIA-232 und V.28/V.24 bei 3 V
  • Latch-up-frei
  • On-Chip-Spannungswandler erfordern nur vier externe 0,1 µF Kondensatoren bei VCC= 3,3 V
  • Manuelle und automatische Abschaltfunktionen
  • Empfänger-Hysterese für eine verbesserte Rauschimmunität
  • Garantierte Mindest-Datenrate: 250 kBit/s
  • Großer Einzelstromversorgungsbereich: +3 V bis +5,5 V
  • Niedriger Versorgungsstrom von 1 µA im Abschaltzustand
  • Bleifrei (RoHS-konform)

Applikationen

  • Alle Systeme, die RS-232-Kommunikationsanschlüsse erfordern
  • Batteriebetriebene, tragbare und Handheld-Geräte
  • Laptop-Computer und Notebooks
  • Modems, Drucker und andere Peripherie
  • Digitalkameras
  • Mobilfunktelefone/Handys

Typische Betriebsschaltungen

Applikations-Schaltungsdiagramm - Renesas Electronics ICL3221E RS-232-Schnittstellen-ICs
Veröffentlichungsdatum: 2020-03-17 | Aktualisiert: 2024-07-09