Qorvo RFSW1012 Breitband-SPDT-Schalter

Qorvo RFSW1012 Breitband-SPDT-Schalter sind einpolige Umschalter (SPDT), die für Applikationen entwickelt wurden, die einen sehr geringen Einführungsverlust und ein robustes Betriebsverhalten im Umgang mit Leistung erfordern. Die Qorvo RFSW1012 Schalter arbeiten über weite Frequenzbereiche (5 MHz bis 6.000 MHz für 50Ω 5 MHz bis 2.500 MHz für 75Ω) und bieten wichtige HF- Vorteile wie einen typischen Einführungsverlust von 0,30 dB bei 1.980 MHz, eine hohe Isolierung von 37 dB bei 2 GHz und eine ausgezeichnete Linearität mit einem IP3 größer als 75 dBm.

Diese Konstruktion macht externe DC-Sperrkondensatoren auf den HF-Pfaden überflüssig, es sei denn, es wird extern DC angelegt. Außerdem verfügt sie über eine 2.000 V HBM-ESD-Bewertung für erhöhte Langlebigkeit. Diese Schalter eignen sich gut für LTE, WCDMA, CDMA, CATV, SATV, Post-PA-Routing und allgemeine HF-Applikationen. Verpackt in einem kompakten 2 mm × 2 mm × 0,55 mm 12-poligen QFN, ist der RFSW1012 ideal für platzbegrenzte Designs, die hohe Leistungsfähigkeit und Vielseitigkeit erfordern.

Merkmale

  • 5 MHz bis 6.000 MHz Betrieb
  • 50 Ω oder 75 Ω Applikationen
  • Geringer Einführungsverlust von 0,30 dB bei 1.980 MHz
  • Hohe Isolierung von 37 dB bei 2 GHz
  • Hohe IP3 von >75 dBm bei 2 GHz
  • Kompatibel mit Niederspannungs-Logikschaltung (VHIGH Minimum = 1,3 V)
  • Externe DC-Sperrkondensatoren sind auf HF-Pfaden nicht erforderlich, es sei denn, es wird extern DC angelegt
  • 2.000 V HBM-ESD-Bewertung an allen Ports
  • >100 dBc CTB/CSO (41 dBmV/ch., 137 Kanäle)
  • 12-poliges 2 mm x 2 mm bleifreies QFN-Gehäuse

Applikationen

  • LTE, WCDMA und GSM
  • CATV und SATV
  • Post PA-Schaltung
  • Universalschaltung

Technische Daten

  • 50 Ω-Systeme
    • 5 MHzz bis 6.000 MHzz Frequenzbereich Betriebstemperatur
    • Typischer Einführungsverlustbereich von 0,25 dB bis 0,45 dB
    • 21 dB bis 45 dB typischer RFC-RFX-Isolierungsbereich
    • 21 dB bis 42 dB typischer RF1-RF2-Isolierungsbereich
    • Typischer Rückflussverlust im eingeschalteten Zustand >15 dB
    • 75 dBm typischer Eingangs-IP3
    • 129 dBm typischer Eingang-IP2
    • Maximaler Betriebspinbereich von 30 dBm bis 36 dBm bei einer Last von 50 Ω
    • 41 dBm minimaler P0,1dB bei >100 MHz
    • -75 dBc maximale zweite und dritte Harmonik
    • <-105 dbm="" bis=""><-100 dbm="" typischer="">
    • Maximaler Eingangsleistungsbereich von 34 dBm bis 36 dBm
    • Spannungsbereich des Geräts von 2,7 V bis 4,6 V
    • Maximaler Ableitstrom-Bereich von 20 µA bis 200 µA
    • Maximaler Steuerspannungsbereich von 0,45 V bis 2,7 V
    • Maximaler Steuerstrombereich von 3 µA bis 5 µA
    • 5 µs maximale Schaltgeschwindigkeit
  • 75 Ω-Systeme
    • 5 MHzz bis 2.500 MHzz Frequenzbereich Betriebstemperatur
    • Typischer Einführungsverlustbereich von 0,15 dB bis 0,45 dB
    • 26 dB bis 70 dB typischer RFC-RFX-Isolierungsbereich
    • 32 dB bis >70 dB typischer RF1-RF2-Isolierungsbereich
    • >13 dB bis >15 dB typischer On-State-Rückgabeverlustbereich
    • >100 dBc typischer CSO (41 dBm/ch, 137 Kanäle)
    • >100 dBc typischer CTB (41 dBm/ch, 137 Kanäle)
    • >90 dBc typischer XMOD (41 dBm/ch, 137 Kanäle)
    • Maximaler Eingangsleistungsbereich von 30 dBm bis 36 dBm bei einer Last von 75 Ω
  • -40 °C bis +90 °C Betriebstemperaturbereich des Gehäuses
  • +125 °C maximale Sperrschicht-Betriebstemperatur

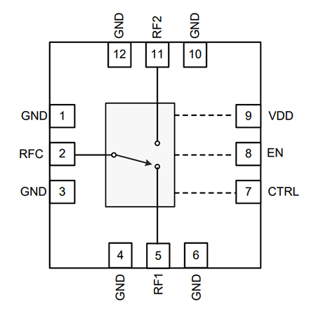
Blockdiagramm

Blockdiagramm - Qorvo RFSW1012 Breitband-SPDT-Schalter

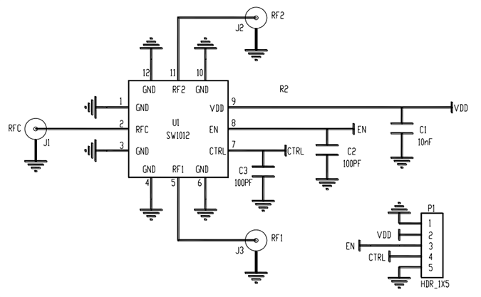
Schaltschema der Applikations-Schaltung

Applikations-Schaltungsdiagramm - Qorvo RFSW1012 Breitband-SPDT-Schalter
Veröffentlichungsdatum: 2026-01-19 | Aktualisiert: 2026-01-26