Qorvo QPX0002 I/Q-Mischer mit 2,5 bis 15 GHz

Der Qorvo QPX0002 2,5- bis 15-GHz-I/Q-Mischer ist ein kompakter Breitband-I/Q-GaAs-Mischer, der in einem oberflächenmontierbaren Keramikgehäuse von 4 mm x 4 mm untergebracht ist. Der Mischer arbeitet im Frequenzbereich von 2,5 GHz bis 15 GHz und kann als Mischer mit Bildunterdrückung, als Einseitenband-Aufwärtswandler oder als QPSK-Modulator/Demodulator konfiguriert werden. Der QPX0002 verwendet zwei doppelt symmetrische Mischerzellen und einen 90⁰-Hybrid innerhalb des MMICs. Ein externer 90⁰-ZF-Hybrid ist erforderlich, um die Bildunterdrückung oder Seitenbandunterdrückung zu vervollständigen. Der QPX0002 von Qorvo ist eine wesentlich kleinere Alternative zu teureren hybriden I/Q-Mischern und Einseitenband-Aufwärtswandlern.

Merkmale

  • I-, Q-Ausgänge
  • 2,5 GHz bis 15 GHz HF, LO-Frequenzbereich
  • DC - 1-GHz-ZF-Frequenzbereich
  • Geringer Umwandlungsverlust von 8 dB bei 8 GHz
  • Hohe Spiegelfrequenzunterdrückung von 22 dB
  • Hohe LO/HF-Isolierung > 50 dB bei 8 GHz
  • Große Betriebsbandbreite
  • Gehäuseabmessungen: 4 mm x 4 mm x 1,2 mm

Applikationen

  • Abwärtskonvertierung der Spiegelfrequenzunterdrückung
  • Einzelseitenband-Modulation
  • Rauscharme Empfängersysteme
  • Phasenerkennung
  • Elektronische Kriegsführungssysteme (EW)
  • QPSK-Modulation/-Demodulation

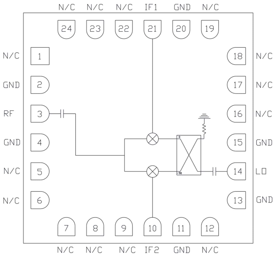
Funktionales Blockdiagramm

Blockdiagramm - Qorvo QPX0002 I/Q-Mischer mit 2,5 bis 15 GHz
Veröffentlichungsdatum: 2021-05-28 | Aktualisiert: 2022-03-11