Qorvo QPC7336 Evaluierungsboard
Das Qorvo QPC7336 Evaluierungsboard ist für die Evaluierung des QPC7336 spannungsgesteuerten variablen Equalizers ausgelegt. Dieses Board wird in einer Bandbreite von 45 MHz bis 1.218 MHz betrieben. Das QPC7366 Evaluierungsboard arbeitet mit einer Versorgungsspannung von 5 V. Dieses Evaluierungsboard zusammen mit dem Equalizer wird in Verstärker- und Übertragungssystemen für Kabelfernsehen (CATV) verwendet.Merkmale
- Evaluiert den QPC7366 variablen Equalizer
- Betriebsbandbreite von 45 MHz bis 1.218 MHz
- Versorgungsspannung von 5 V
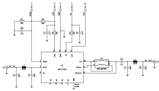
QPC7336 Evaluierungsboard - Schaltplan
Veröffentlichungsdatum: 2018-05-03
| Aktualisiert: 2023-01-31
