Qorvo QPC7335 HF-Development-Tool
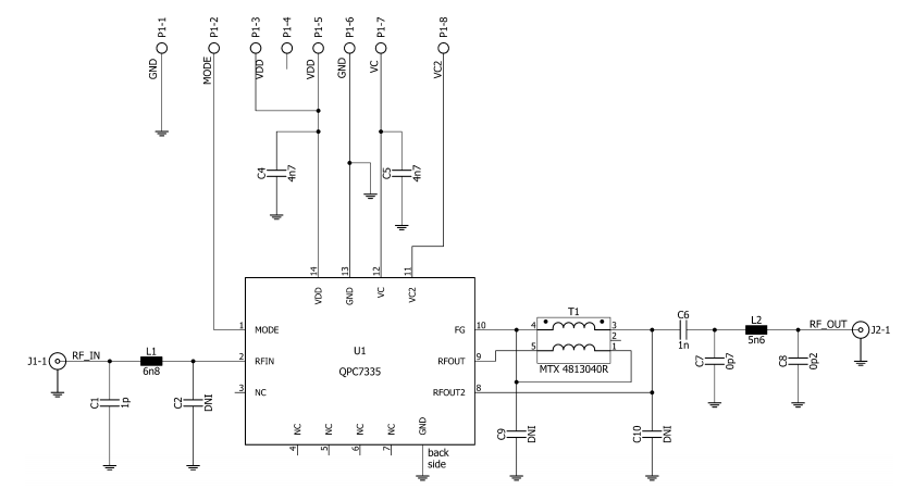
Das HF-Development-Tool QPC7335 von Qorvo ist zur Evaluierung der variablen Equalizer QPC7335 ausgelegt, die mit einer Frequenzbandbreite von 45 MHz bis 1.002 MHz betrieben werden. Diese Qorvo-Equalizer verbrauchen wenig Strom und bieten einen Steigungsbereich von 18 dB und eine geringe Einfügungsdämpfung.Schaltschema
Veröffentlichungsdatum: 2020-05-11
| Aktualisiert: 2024-08-21
