Qorvo QPC7334 HF-Development Tool
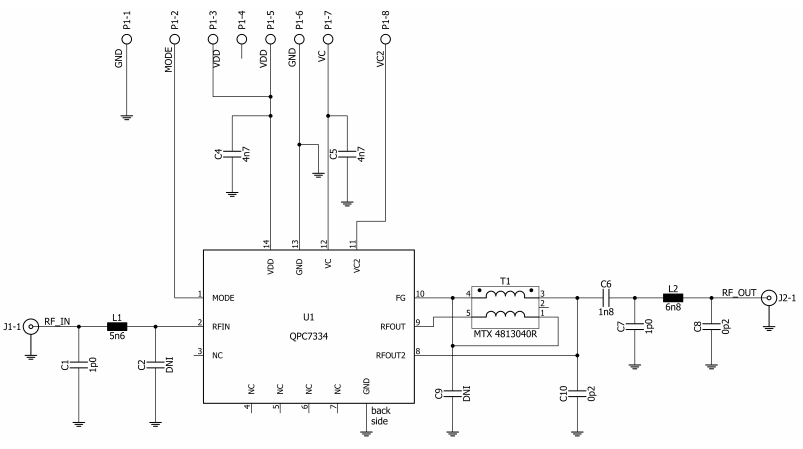
Das QPC7334-HF-Development-Tool von Qorvo ist zur Evaluierung der QPC7334 variablen Equalizer ausgelegt, die in der Frequenzbandbreite von 5 MHz bis 684 MHz betrieben werden. Diese Qorvo Equalizer mit geringem Stromverbrauch und bieten 16 dB und mit geringer Einfügungsdämpfung.Schaltschema
Veröffentlichungsdatum: 2020-05-08
| Aktualisiert: 2024-08-20
