Qorvo QPC2040 X-Band-GaN-SPDT-Schalter von 10 W

Der Qorvo QPC2040 X-Band-GaN(Galliumnitrid)-SPT-Schalter von 10 W ist ein Single-Pole-Double-Throw-Schalter, der auf einem proprietären QGaN15-0,15-µm-GaN-auf-SiC-Produktionsprozess hergestellt wird. Der QPC040 wird von 8 GHz bis 12 GHz betrieben und unterstützt eine Eingangsstrombelastbarkeit von 10 W bei Steuerspannungen von 0 V und -28 V gepulste HF-Betriebsabläufe. Der Schalter verfügt über eine geringe Einfügungsdämpfung von weniger als 1,2 dB und eine Isolierung von mehr als 30 dB, wodurch er sich hervorragend für Hochleistungsschaltapplikationen in Verteidigungs- und kommerziellen Plattformen eignet.

Der QPC2040 X-Band-GaN-SPDT-Schalter von 10 W von Qorvo wird in einem umspritzten Quad-Flat-No-Lead-Gehäuse (QFN) von 3,0 mm x 4,5 mm angeboten und ist RoHS-konform.

Merkmale

  • Frequenzbereich: 8 GHz bis 12 GHz
  • Eingangsleistung: 10 W
  • Einfügungsdämpfung: 1,2 dB
  • Isolierung: 30 dB (typisch)
  • HF-Eingangsleistung
    • 44,5 dBm (PW = 100 μ, DC = 25 %, 50 Ω, tBASE = 85 °C)
    • 43,0 dBm (PW = 100 μ, DC = 25 %, 3:1-VSWR, tBASE = 85 °C
  • Schaltgeschwindigkeit: 35 ns
  • Steuerspannungen: 0 V, -28 V
  • Verlustleistung: 75 W
  • Betriebstemperaturbereich: -40 °C bis +85 °C
  • Temperaturbereich: -55 °C bis +150 °C
  • QFN-Gehäuse von 3,0 mm x 4,5 mm x 1,05 mm
  • Halogenfrei, bleifrei und RoHS-konform

Applikationen

  • Kommerzielle und militärische Radars
  • Kommunikation
  • Elektronische Kriegsführung

Blockdiagramm

Blockdiagramm - Qorvo QPC2040 X-Band-GaN-SPDT-Schalter von 10 W

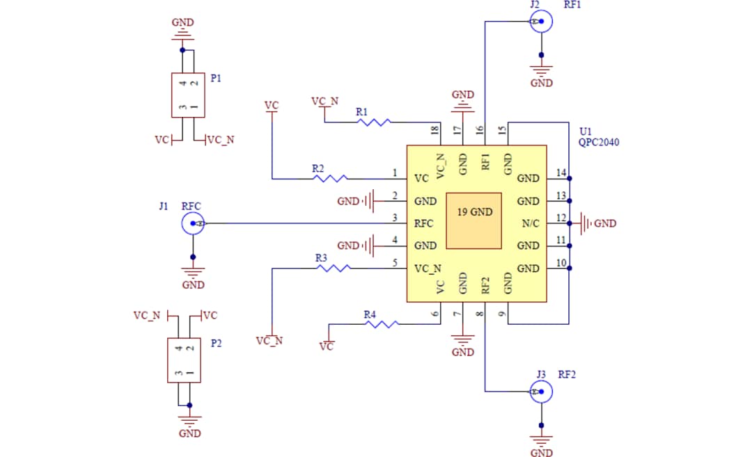
Typische Applikations-Schaltung

Applikations-Schaltungsdiagramm - Qorvo QPC2040 X-Band-GaN-SPDT-Schalter von 10 W
Veröffentlichungsdatum: 2021-12-06 | Aktualisiert: 2022-03-11