Qorvo QPB8957 CATV-HF-Dopplerverstärker
Der QPB8957 CATV-HF-Dopplerverstärker von Qorvo ist ein GaAs-pHEMT-/MESFET-75-Ω-IC, der über eine flache Gain von 28 dB und ein geringes Rauschen verfügt. Dieser HF-Verstärker bietet bei hohem Wirkungsgrad ein geringes Rauschen sowie eine geringe Verzerrung und verwendet nur 8,4 W in einem 40-Pin-QFN-Gehäuse von 5 x 7 mm. Der QPB8957 Dopplerverstärker zeichnet sich durch eine einstellbare Vorspannung und eine ausgezeichnete Verbundverzerrung aus. Die kompakte Größe und die niedrige θJC des QPB8957 Verstärkers eignet sich für Hybridmodule oder eine Alternative zu Hybridmodul-Applikationen. Zu den typischen Applikationen gehören DOCSIS 3.0, Breitband-CATV-Hybridmodule, Head-End-CMTS-Ausrüstungen und 75-Ω-Verstärker.Merkmale
- Hohe Gain: 28 dB bei 1.003 MHz
- Einstellbare Vorspannung
- Bandbreite: 50 MHz bis 1.003 MHz
- 56 dBmV/Kanal virtuelle 1,0 GHz bei 15 dB Neigung
- Geringes Rauschen von 4,5 dB
- Ausgezeichnete Verbundverzerrung
- pHEMT-/MESFET-Bauteiltechnologien
- Kompaktes 40-Pin-QFN-Gehäuse von 5 mm x 7 mm
- 24-V-Stromverbrauch: 350 mA bis 8,4 W
- Betriebstemperaturbereich: -40 °C bis 100 °C
Applikationen
- DOCSIS 3.1
- Breitband-CATV-Hybridmodule
- Head-End-CMTS-Ausrüstung
- 75-Ω-Verstärker
Weitere Ressourcen
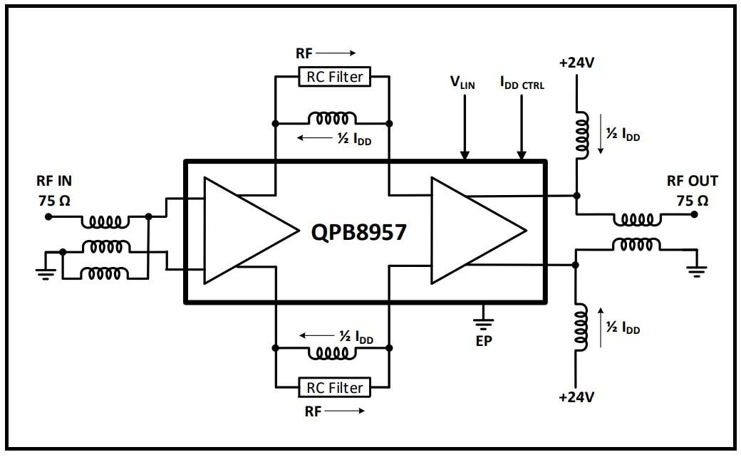
Funktionales Blockdiagramm
Veröffentlichungsdatum: 2019-03-11
| Aktualisiert: 2023-11-09
