Qorvo QPB8857 75 Ω, 28 dB CATV-Verstärker zur Leistungsverdopplung
Qorvo QPB8857 75 Ω, 28 dB CATV-Verstärker zur Leistungsverdoppelung sind rauscharm und bieten eine geringe Verzerrung bei hohem Wirkungsgrad. Der QPB8857 unterstützt DOCSIS 3.1 Applikationen bis zu 1.218 MHz mit einer 24V-Einzelversorgung. Das Bauteil bietet eine kompakte Größe und eine niedrige ΘJC-Integration, wodurch es sich ideal für Hybridmodul-Applikationen eignet.Merkmale
- Hohe Verstärkung: 28 dB bei 1.218 MHz
- Einstellbare Vorspannung
- 47 bis 1.218 MHz BW
- 57dBmV/Kanal, virtuelle 1,2 GHz, bei einer Neigung von 19 dB
- Rauscharm: 4,5 dB
- Ausgezeichnete Verbundverzerrung
- pHEMT-/MESFET-Bauteiltechnologien
- Kompakte Größe: 40P 5x7 QFN
- Stromverbrauch (24 V, 440 mA bis 10,5 W)
Applikationen
- DOCSIS 3.1
- Breitband-CATV-Hybridmodule
- Head-End-CMTS-Ausrüstung
- 75Ohm-Verstärker
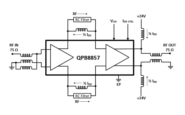
Blockdiagramm
Veröffentlichungsdatum: 2018-09-14
| Aktualisiert: 2023-01-31
