Qorvo QPA9418EVB-01 Evaluierungsboard
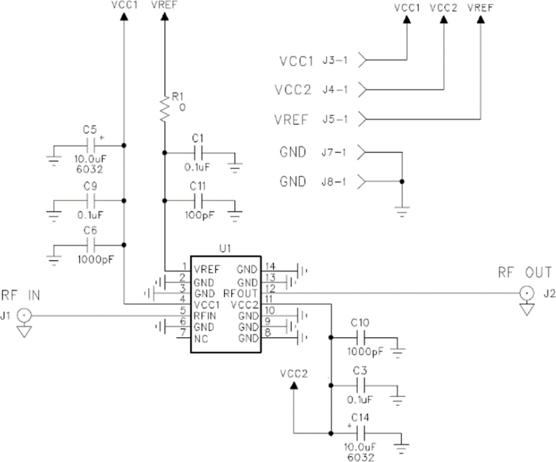
Das Qorvo QPA9418EVB-01 Evaluierungsboard ist eine Demonstrations- und Entwicklungsplattform für den QPA9418 Zweiphasen-Leistungsverstärker mit hoher Linearität. Der QPA9418 bietet eine Gain von 30,6 dB und eine lineare Leistung von +27 dBm über einen Frequenzbereich von 1.805 MHz bis 1.930 MHz. Dieser Verstärker kann mit einem LTE-Signal von 20 MHz und bei einer +27-dBm-Ausgangsleistung -48 dBc ACLR erzielen.Das QPA9418EVB-01 Evaluierungsboard verfügt über einen vorbestückten QPA9418 in einem kompakten unbedrahteten und oberflächenmontierbaren Gehäuse von 7 mm x 7 mm. Das Evaluierungsboard bietet eine Beispiel-Applikations-Schaltung, die ein schnelles Prototyping bei einem Einsatz in bestehende Designs ermöglicht.
Applikations-Schaltung – Schaltplan
Videos
Veröffentlichungsdatum: 2019-09-30
| Aktualisiert: 2023-11-30
