Qorvo CMD264P3 Rauscharmer 6-GHz- bis 18-GHz-Verstärker
Der rauscharme 6- bis 18-GHz-Verstärker CMD264P3 von Qorvo ist ein Breitband-MMIC in einem bleifreien Kunststoffgehäuse mit den Abmessungen 3 mm x 3 mm für die Oberflächenmontage. Der CMD264P3 eignet sich hervorragend für Kommunikationssysteme mit kleiner Größe und geringem Stromverbrauch. Das Breitband-Bauteil von Qorvo liefert eine Gain von mehr als 26 dB mit einem entsprechenden 1-dB-Ausgangs-Kompressionspunkt von +12 dBm und einem Rauschfaktor von 1,6 dB bei 10 GHz. Der CMD264P3 ist ein 50Ω angepasstes Design, das externe DC-Blöcke und HF-Anschluss-Anpassung überflüssig macht.Merkmale
- Extrem niedriger Rauschfaktor
- Breitband-Leistung mit hoher Gain
- Einzelversorgungsspannung: +3,0 V bei 63 mA
- Bleifrei (RoHS-konform)
- 3 mm x 3 mm QFN-Gehäuse
Applikationen
- Radar
- C-Band
- X-Band
- Ku-Band
- Elektronische Kriegsführungssysteme (EW)
- Raumfahrt
- Satellitenkommunikation (Satcom)
- Phasige Arrays
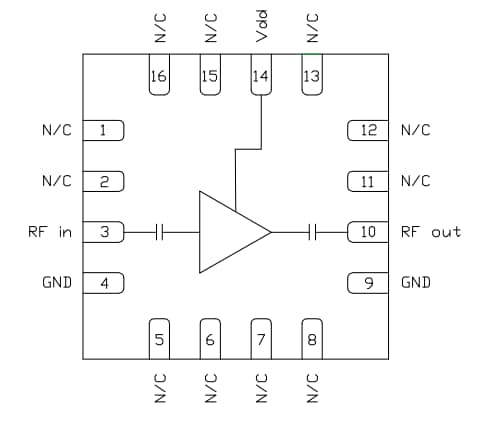
Blockdiagramm
Veröffentlichungsdatum: 2020-03-24
| Aktualisiert: 2024-08-21
