Qorvo ACT85610 PLP-Leistungsmanagement-IC (PMIC)
Der Leistungsmanagement-IC (PMIC) ACT85610 von Qorvo ist eine hochintegrierte, hochkonfigurierbare Leistungsmanagementeinheit mit mehreren Ausgängen und integriertem Leistungsverlustschutz (PLP). Der ACT85610 von Qorvo enthält vier Abwärtswandler mit hohem Wirkungsgrad, die einen 3x 4-A- und 1x 2-A-Strom mit einem Ausgang so niedrig wie 0,6 V liefern können. Ein Aufwärtsregler mit einem 12-V-Ausgang und einem Abwärtswandler mit festem Ausgang liefert die Leistung für den IC selbst und versorgt die Gate-Treiber in Reglern für einen maximalen Wirkungsgrad.Der Stromausfallschutz bietet eine Backup-Speicherleistung im Falle eines Eingangsstromausfalls. Ein integrierter Aufwärtswandler bietet eine Hochspannungs-Energiespeicherung zur Reduzierung der Speicherkondensator-Größenanforderungen. Der integrierte Zusatz-Abwärtswandler regelt die Speicherspannung auf eine feste Ausgangsspannung. Er enthält interne Back-to-Back-eFuse-FETs, um eine bidirektionale Eingangs-zu-Ausgangsisolierung zu bieten. Darüber hinaus bietet der ACT85610 eine Hot-Swap- und Einschaltstromsteuerung.
Der ACT85610-PMIC von Qorvo wird in einem 6-mm2 -QFN-Gehäuse (Quad Flat No-Leads, QFN) angeboten und ist bleifrei, halogenfrei und RoHs-konform.
Merkmale
- Leistungsstarker Stromausfallschutz
- Betriebseingangsbereich: 2,7 V bis 14 V mit 14,4 V Überspannungsschutz
- Maximale Eingangswiderstandsspannung: 20 V
- Einstellbare Anlauf-Anstiegsrate
- Einschaltstromsteuerung
- Konfigurierbare Leistungsausfallstufen
- Programmierbare Eingangsstrombegrenzung von 10 A
- Programmierbare Aufwärts-Speicherspannung: 5,5 V bis 31 V
- Synchroner 31-V- bei 8-A-Abwärtswandler unterstützt 100 % Tastverhältnis
- Programmierbar bis zu 2,25-MHz-Abwärts-Betriebsfrequenz für kleine Induktivitätsgröße
- Nicht erkennbarer Übergang von der Eingangsversorgung zur Kondensatorbankleistung
- Kompatibel mit verschiedenen Arten von Speicherkondensatoren, einschließlich Super-Kondensatoren, Elektrolyt, Tantal und POSCAP
- Autonome Gesundheitsüberwachung
- Frühe Ausfallerkennung von Speicherkondensatoren
- Speicherkapazitätsmessung
- Hocheffizienter PMIC mit integrierten FETs
- Vier Hochspannungs-DC/DC-Abwärtswandler
- Integrierte Synchron-Leistungsstufe
- Wirkungsgrad von bis zu 96 %
- Optimierte einstufige Umwandlung von 12 V für Ausgänge so niedrig wie 6 V
- Hervorragende dynamische Reaktion
- Proprietärer COT-Steuerungsalgorithmus
- Kleine Induktivitätsgrößen
- Schnelles Einschwingverhalten
- 1 Nichtsynchroner Hochspannungs-Aufwärtsregler
- 1 LDO mit programmierbarer Ausgangsspannung
- Konfigurierbarer Frequenzbereich: 500 kHz bis 2,0 MHz
- Nahezu konstante Frequenz
- Sensorloser Überstromschutz (OCP)
- Ausgangsunterspannungs- (UV) – und Überspannungs (OV) -Erkennung
- Stabiler Keramikkondensator
- Systemsteuerung und Schnittstelle
- Dedizierter Leistungsverlust-Anzeige-Pin (PLI)
- Sechs programmierbare Universal-I/O
- Serielle I2C-Schnittstelle und Passwortschutz
- ADC-Überwachung von kritischen Signalen
- Unabhängige Ein-/Aus-Sequenzierung
- Reset-/Power-Good-Ausgang
- Konfigurierbare Schienen Ein/Aus über I2C/GPIO
- Eingangsleistungs-, Unterspannungs- und Überspannungsüberwachung
- Konfigurierbare Interrupts, um den Host über alle Fehler-/Statusänderungen zu informieren
- Thermischer Alarm und Schutz
- Systemmanagement
- Vielseitige GPIO-Funktionen
- Watchdog-Überwachung
- Interrupt-Funktion verfügbar
- I2C-Sicherheits-Bits zur Verbesserung der Immunität gegen störende I2C
- Physikalische Eigenschaften
- Sperrschicht-Betriebstemperatur: -40 °C bis +150 °C
- 35 °C/W thermischer Widerstand zwischen der Verbindungsstelle und der Umgebungstemperatur
- FCQFN-52-Gehäuse mit verbesserten thermischen Eigenschaften
- Gehäuseabmessungen: 6 mm x 6 mm
Applikationen
- Solid-State-Laufwerke (SSD)
- Notstromversorgung
- Hot-Plug-Bauteile
- Industrieapplikationen
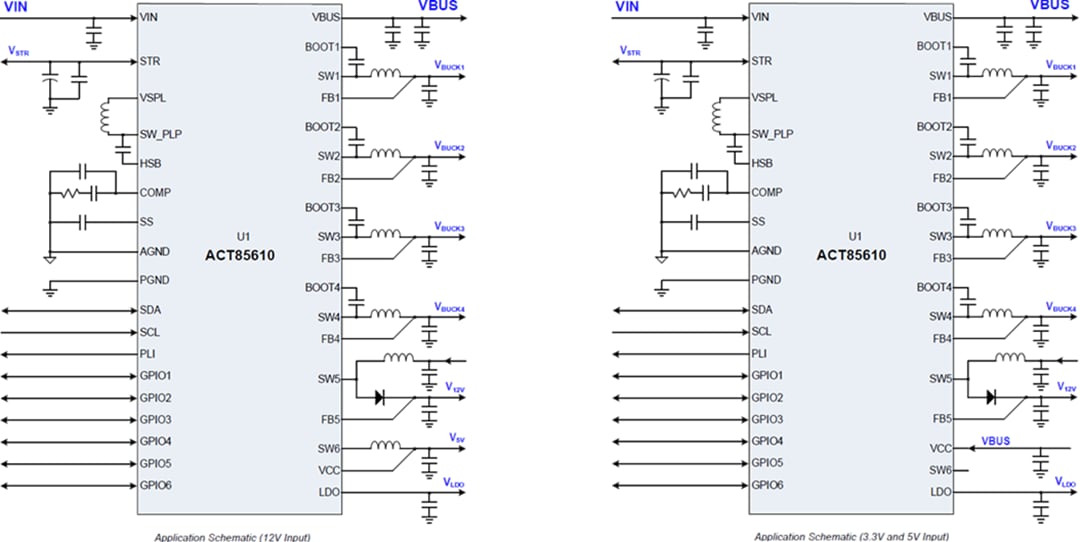
Applikationsschaltpläne
Blockdiagramm
Veröffentlichungsdatum: 2020-02-03
| Aktualisiert: 2024-08-19
