Qorvo ACT81460EVK1 Evaluierungskit
Das Evaluierungskit ACT81460EVK1 von Qorvo wurde für die Evaluierung des Leistungsmanagement-ICs ACT81460VM101 entwickelt. Das Evaluierungskit bietet einen uneingeschränkten Zugang zu allen Eingängen, Ausgangsspannungen und digitalen Steuersignalen des Wandlers. Diese Designfunktionen ermöglichen die Konfiguration des Evaluierungskits zur Anpassung an ein realistisches System. Das ACT81460EVK1 Evaluierungsboard kann bei Bedarf als eigenständiges Board verwendet werden.Erforderliche Ausrüstung
- USB-zu-I2C-Dongle
- 5 V ar 4 A für vollen Leistungsbetrieb
- >100 MHz > 2-Kanal-Oszilloskop
- Elektronische oder ohmsche Lasten mit einer minimalen Strombelastbarkeit von 1 A
- Digitale Multimeter (DMM)
- Windows-kompatibler Computer mit einem USB-Ersatzanschluss
Evaluierungskit-Einrichtung
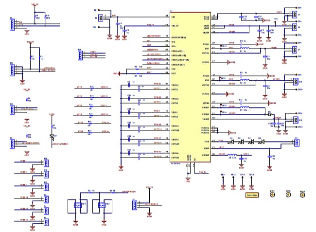
Schaltplan
Veröffentlichungsdatum: 2020-03-12
| Aktualisiert: 2024-08-19
