Qorvo ACT2861QI 30-V-Auf-/Abwärtswandler-Ladegerät
Das Qorvo ACT2861QI 30-V-Auf-/Abwärtswandler-Ladegerät ist mit vier integrierten MOSFETs und einer OTG-Funktion (On-The-Go) ausgelegt. Dieses Auf-/Abwärtswandler-Ladegerät bietet eine kompakte Lösung mit hohem Wirkungsgrad und einer niedrigen Anzahl von Komponenten für Zwei- und Fünfzellen-Batterieladeapplikationen. Qorvo ACT2861QI Auf-/Abwärtswandler-Ladegerät wird von einem Eingangsspannungsbereich von 3,9 V bis 29 V betrieben. Dieses Ladegerät reduziert den Eingangsstrom beim Transport, bei der Abschaltung und im Standby für Applikationen, die empfindlich zu batteriebetriebenen Geräten sind.Merkmale
- Eingangsspannungsbereich: 3,9 V bis 29 V
- Unterstützt 2- bis 5-Zellen-Lithium-Ionen-Batterien
- Unterstützt die OTG-Funktion (5 V bis 22,5 V) mit einer großen Auswahl von Ausgangsspannungen
- Programmierbare Frequenzen:
- 125 kHz
- 250 kHz
- 500 kHz
- 1 MHz
- Ausgangsstrom: 100 mA
- Ausgangsspannung: 2 V bis 5 V
- Genauigkeit von 0,5 %
- Ausgangskonstantstrom-Regelung von ±4 %
- Ableitstrom von <5 μA von einer Batterie im Transportmodus
- JEITA-konform
- Zyklus-für-Zyklus-Strombegrenzung
- Eingebauter ADC zur Überwachung von:
- Temperatur
- Eingangs- und Ausgangsspannung
- Eingangs- und Ausgangsstrom
- Thermische Regelung und Schutz
- Niedrige Ausgangswelligkeit
- Thermisch verbessertes 32-Pin-QFN-Gehäuse von 4 mm x 4 mm
Applikationen
- Multizellen-Ladegeräte
- Tragbare batteriebetriebene Geräte
- Auto-Ladegeräte
- Powerbanks (Ladegeräte)
- 24-V-Industrieapplikationen
- Automotive-Leistungssysteme
- Mehrere Stromquellenversorgungen
- DC-USV
- Solarbetriebene Geräte
- Solid-State-Beleuchtung
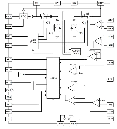
Blockdiagramm
Auto-Ladegerät mit 39-W-USB-C-/USB-A-Dual-Anschluss - Referenzdesign
18-W-Powerbank und 18-W-Dual-USB-C - Referenzdesign
Veröffentlichungsdatum: 2018-05-21
| Aktualisiert: 2023-01-31
