onsemi / Fairchild Fototransistorausgangs-Optokoppler

ON Semiconductor Fototransistor-Transistorausgangs-Optokoppler verfügen über eine Galliumarsenid(GaAs)-Infrarot-LED, die optisch an einen Fototransistor gekoppelt ist. Das Bauteil bietet einen Einkanal-DC-Sensoreingang in einem breiten 4-Pin-SOP4-Gehäuse. Der FODM1009 eignet sich hauptsächlich für DC/DC-Wandler und ist ideal für den Einsatz in Haushaltsgeräten, Set-Top-Boxen und Industrie-Leistungsapplikationen.

Merkmale

  • 1 x Kanal
  • Durchlassstrom: 50 mA
  • Maximaler Kollektorstrom: 50 mA
  • Maximale Kollektor-Emitter-Spannung: 70 V
  • Isolationsspannung: 5.000 VRMS
  • Maximale Kollektor-Emitter-Sättigungsspannung: 0,3 V
  • Durchlassspannung: 1,4 V
  • Sperrspannung: 6 V
  • Verlustleistung: 150 mW
  • Sicherheitszertifizierungen und behördliche Genehmigungen
  • Hohe Kollektor-Emitter-Durchschlagspannung, BVCEO = 70 V (min.)
  • Betriebstemperaturbereich: -40 °C bis +110 °C
  • Stromübertragungsverhältnis bei IF = 5 mA, VCE = 5 V, TA = 25 °C
  • FODM1007: 80 bis 160 %
  • FODM1008: 130 bis 260 %
  • FODM1009: 200 bis 400 %
  • Betriebstemperaturbereich: -40 °C bis +110 °C

Applikationen

  • Hauptsächlich für DC/DC-Wandler geeignet
  • Erdschleifen-Isolierung
  • Signal-Rausch-Isolierung
  • Adapter, Ladegeräte
  • Haushaltsgeräte
  • Set-Top-Boxen
  • Industrieapplikationen, wie z. B. Netzgeräte, Motorsteuerung, speicherprogrammierbare Steuerung

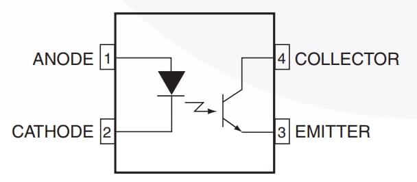
Schaltplan

Schaltplan - onsemi / Fairchild Fototransistorausgangs-Optokoppler
Veröffentlichungsdatum: 2019-10-24 | Aktualisiert: 2024-01-26