onsemi NXV10Vx Dreiphasen-Automotive-Leistungs-MOSFET-Module
Die NXV10Vx Dreiphasen-Automotive-Leistungs-MOSFET-Module von onsemi sind für das Leistungsmanagement mit hohem Wirkungsgrad in Fahrzeuganwendungen konzipiert. Diese Module von onsemi eignen sich besonders für Traktionswechselrichter in Elektrofahrzeugen (EV), On-Board-Ladegeräte und DC/DC-Wandler. Die Bauteile verfügen über einen niedrigen RDS(on) und hohe Stromverarbeitungsfähigkeiten, wodurch eine effiziente Leistungsumwandlung bei einem minimalen Energieverlust erreicht wird. Darüber hinaus machen das kompakte Design und die hervorragende thermische Leistungsfähigkeit die NXV10Vx Module ideal für Umgebungen mit geringem Platzangebot in modernen Automobilsystemen. Diese Eigenschaften tragen zur Gesamtzuverlässigkeit und Effizienz von Leistungssystemen im Automobilbereich bei.Merkmale
- Dreiphasen-MOSFET-Module
- Elektrisch isoliertes DBC-Substrat für niedrigen thermischen Widerstand
- Temperaturmessung
- Kompaktes Design für einen niedrigen Gesamtwiderstand des Moduls
- Modul-Serialisierung für vollständige Rückverfolgbarkeit
- Ermöglicht das Design von kleinen, effizienten und zuverlässigen Systemen für einen reduzierten Kraftstoffverbrauch und geringere CO2-Emissionen in Fahrzeugen
- Vereinfachte Fahrzeugmontage
- Ermöglicht einen niedrigen thermischen Widerstand von der Sperrschicht zum Kühlkörper durch die direkte Montage über ein thermisches Schnittstellenmaterial zwischen dem Modulgehäuse und dem Kühlkörper
- APM21-CGA-Gehäuse
- AQG324-zertifiziert und PPAP-fähig
- Bleifrei, RoHS-konform und UL94V-0-konform
Applikationen
- 48-V-E-Kompressor und weitere 48-V-Anbauteile
- Traktionswechselrichter für Elektrofahrzeuge (EV)
- On-Board-Ladegeräte
- DC/DC-Wandler
Technische Daten
- 100 V maximale Drain-Source-Spannung
- ±20 V maximale Gate-Source-Spannung
- Maximale Einzelimpuls-Avalanche-Energie: 587 mJ
- 250 µA maximaler Ableitstrom
- 5 µA maximaler Drain-Source-Ableitstrom
- Gate-Source-Ableitstrom: ±100 nA (max.)
- 2,0 V bis 4,5 V Gate-Source-Schwellenspannungsbereich
- 6970 pF typische Eingangskapazität
- 3950 pF typische Ausgangskapazität
- 29 pF typische Rückübertragungskapazität
- 0,4 Ω typischer Gate-Widerstand
- Gate-Ladung insgesamt: 101 nC
- Gate-Source-Ladung: 34 nC (typisch)
- Gate-Drain-Ladung: 19 nC (typisch)
- 46 ns typische Einschaltverzögerungszeit
- 26 ns typische Anstiegszeit
- 52 ns typische Abschaltverzögerungszeit
- 15 ns Abfallzeit
- +175 °C maximale Sperrschichttemperatur
Datenblätter
- NXV10V125DT1 Automotive-Leistungs-MOSFET-Modul
- NXV10V160ST1 Automotive-Leistungs-MOSFET-Modul
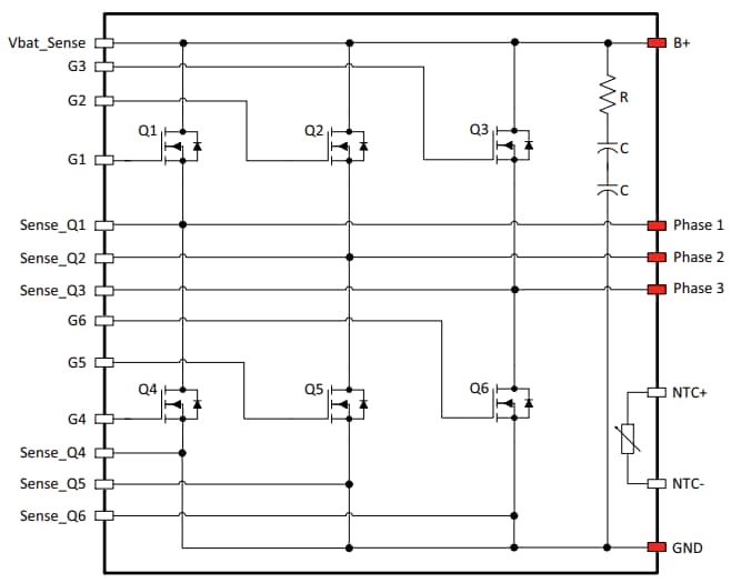
Schaltplan
Veröffentlichungsdatum: 2024-03-14
| Aktualisiert: 2025-03-25
