onsemi NVXR17S90M2SPx EliteSic Leistungsmodule
Die NVXR17S90M2SPx EliteSiC Leistungsmodule von onsemi verbessern den Wirkungsgrad, die Leistungsdichte und die Gesamtleistung. Die NVXR17S90M2SPx Module von onsemi enthalten einen 900 V SiC-MOSFET in einer praktischen Six-Pack-Konfiguration. Die Module verfügen über Press-Fit-Pins für Signalanschlüsse, die eine einfache Montage und eine verbesserte Zuverlässigkeit ermöglichen. Darüber hinaus enthalten die Bauteile einen optimierten Pin-Rippen-Kühlkörper in der Grundplatte für eine effektive Wärmeableitung. Die Chip-Befestigung nutzt das Sinter-Verfahren zur Verbesserung der Zuverlässigkeit und thermischen Leistungsfähigkeit und erfüllt den AQG324-Automotive-Standard.Merkmale
- Direkte Kühlung mit integriertem Pin-Rippen-Kühlkörper
- Siliziumnitrid-Isolator
- Tvj.Max = +175 °C für ununterbrochenen Betrieb
- SiC-MOSFET-Chiptechnologien für die Automobilindustrie
- Gesinterte Chip-Technologie für eine hohe Zuverlässigkeit
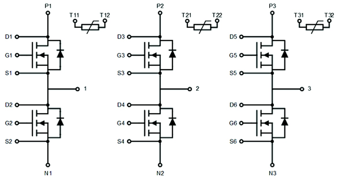
- Einfach zu integrierende 6-Pack-Topologie
- AQG324-konform mit Automotive-Modul
- Bleifrei und RoHS-konform
- Zu den typischen Applikationen gehören Traktionswechselrichter für Hybrid- und Elektrofahrzeuge
Applikationen
- Wandler-DC-Batterieausgang zur Stromversorgung von AC-Traktionsmotoren
- Hochleistungs-DC/DC-Wandler
Kontaktbeschreibung
Veröffentlichungsdatum: 2024-02-05
| Aktualisiert: 2024-06-18
