onsemi NVMx- und NVTx-Leistungs-MOSFETs
Die NVMx- und NVTx-Leistungs-MOSFETs von onsemi sind AEC-Q101-qualifiziert und bieten kompakte und effiziente Lösungen für Automobil-Applikationen. Die NVMx- und NVTx-Leistungs-MOSFETs bieten einen niedrigen RDS(on) zur Minimierung von Leitungsverlusten und niedrige QG und Kapazität zur Minimierung der Treiberverluste. Diese Einzel-n-Kanal-MOSFETs sind in einem kompakten SO-8FL- und WDFN8-Gehäuse untergebracht und sind bleifrei, halogenfrei/BFR-frei und RoHS-konform.Merkmale
- Small footprint
- Low RDS(on) to minimize conduction losses
- Low QG and Capacitance to minimize driver losses
- Wettable flank option for enhanced optical inspection
- AEC−Q101 qualified
- Pb−free
- Halogen-free/BFR free
- RoHS compliant
Applikationen
- Solenoid drivers
- ABS
- Fuel injection
- Load switches
- ECU
- Chassis
- Motor control
- Wipers
- Fans
- Seats
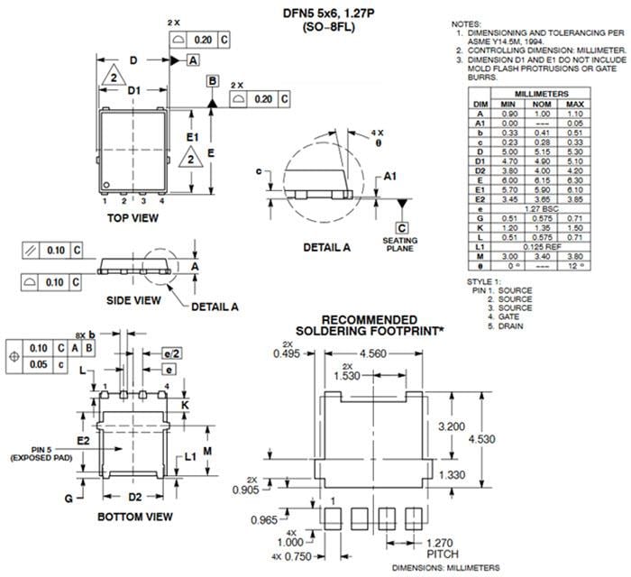
DFN5 (SO-8FL) Package Dimensions
WDFN8 Package Dimensions
Veröffentlichungsdatum: 2017-05-16
| Aktualisiert: 2025-11-11
