onsemi Synchroner Automotive-Abwärtsregler NCV8856A
Der onsemi NCV8856A synchrone Automotive-Abwärtsregler ist ein einstellbares Ausgangsbauteil, das Dual-n-Kanal-MOSFETs ansteuert und sich hervorragend für Hochleistungsapplikationen eignet. Die durchschnittliche Strommodussteuerung bietet schnelle Einschwingzeiten und eine enge Regelung über große Eingangsspannungs-/Ausgangslastbereiche. Der IC enthält einen internen festen 6,0-V-Low-Dropout-Linearregler (LDO), der die Ladung zum (SMPS-)Gate-Treiber des Schaltnetzteils liefert, wodurch der Stromausfall auf den übermäßigen Gate-Antrieb begrenzt wird.’ Der NCV8856A ist für den Betrieb über einen Eingangsspannungsbereich von 4,5 V bis 38 V ausgelegt und kann eine 10-zu-1-Spannung bei 500 kHz umwandeln. Zusätzliche Controller-Funktionen umfassen Unterspannungssperre, Überspannungsabschaltung, internen Soft−Start, niedrigen Ruhestrom-Schlafmodus, programmierbare Frequenz, SYNC-Funktion, durchschnittliche Strombegrenzung, Zyklus-für-Zyklus-Überstromschutz und thermische Abschaltung.Merkmale
- Durchschnittliche Strommodussteuerung
- 0,8 V ±2 % Referenzspannung
- Großer Eingangsspannungsbereich von 4,5 V bis 38 V
- Wird über Lastabwurfbedingungen betrieben
- 6,0-V-Low-Dropout-Linearregler (LDO)
- Eingangs-UVLO (Unterspannungssperre)
- Interner Sanftanlauf
- Maximaler Ruhestrom im Ruhemodus: 6,2 µA
- Adaptive nicht-überlappende Schaltung
- Mindest-Auschaltzeit High-Side-Gate: 180 ns
- Programmierbare Festfrequenz: 170 kHz bis 500 kHz
- Externe Taktsynchronisierung bis zu 600 kHz
- Durchschnittliche Strombegrenzung (ACL)
- Zyklus-für-Zyklus-Überstromschutz (OCP)
- Thermische Abschaltung (TSD)
- Feuchteempfindlichkeit (MSL) 1
- TSSOP-20-Gehäuse
- Bleifrei und RoHs-konform
Applikationen
- Automotive-Systeme, die Hochstrom erfordern
- Vorregulierte Versorgungen für Niederspannungs-SNTs und LDOs
Technische Daten
- Ruhestrom
- 6,2 µA max. im Ruhemodus, 4,25 µA typisch
- 4,24 mA max. für kein Schalten, 3,25 mA typisch
- 5,30 mA max. für Schaltungen ohne Gate-Lasten, 4,35 mA typisch
- LDO-Strombereich: 1 mA bis 20 mA
- Thermischer Abschaltbereich: +150 °C bis +210 °C
- Überhitzungsschutz-Hysterese: 1 °C bis 20 °C
- Unterspannungssperre: 3,9 V bis 4,5 V
- Hysterese-Bereich der Unterspannungssperre: 50 mV bis 200 mV
- Schaltregler
- Referenzspannungsbereich: 0,784 V bis 0,816 V
- Minimaler GH-Off-Time-Bereich: 110 ns bis 250 ns
- Maximale GH-Pulsbreite: 200 ns (min.), 140 ns (typisch)
- Oszillator
- Schaltfrequenzbereich: 153 kHz bis 575 kHz
- Amplitudenspannungsbereich: 0,9 V bis 1,3 V
- Spannungsfehlerverstärker
- Minimale DC-Verstärkung: 70 dB, 73 dB typisch
- Minimale Verstärkungsbandbreite: 8,0 MHz, 10 MHz typisch
- Minimaler Ladestrombereich: 1,3 mA bis 2 mA, 3 mA bis 4 mA typisch
- Maximaler FB-Bias-Strom: 1,0 µA, 0,1 µA typisch
- Strommessverstärker
- Gleichtaktbereich: 0 V bis 10,0 V
- Typische Verstärkerverstärkung: 1 V/V
- Synchronisierung
- Pin-Bias-Strombereich: 0,1 µA bis 20 µA
- Schwellenspannungsbereich: 0,8 V bis 2,0 V
- Stromfehlerverstärker
- Minimale DC-Verstärkung: 70 dB, 73 dB typisch
- Minimale Verstärkungsbandbreite: 8,0 MHz, 10 MHz typisch
- Minimaler Ladestrombereich: 1,3 mA bis 2 mA, 3 mA bis 4 mA typisch
- Maximaler FB-Bias-Strom: 1,0 µA, 0,1 µA typisch
- Klemmspannung: 2,7 V (min.), 3,3 V (typisch)
- Strombegrenzung
- Durchschnittlicher Schwellwertbereich: 72 mV bis 133 mV
- Zyklus-für-Zyklus-Schwellenspannungsbereich: 115 mV bis 215 mV
- Typische Zyklus-für-Zyklus-Anschwingzeit: 200 ns
- Minimaler Zyklus-für-Zyklus/durchschnittlicher Schwellwert-Differenzbereich: 20 mV
- LDO: 6,0 V
- Ausgangsspannungsbereich: 5,8 V bis 6,2 V
- Maximale Dropout-Spannung: 220 mV
- Strombegrenzungsbereich: 30 mA bis 120 mA
- Gate-Treiber
- GH/GL-Quell-/Senken-Strombereich: 1 A bis 2 A
- Maximale GH-zu-GL-/GL-zu-GH-Verzögerungszeit: 70 ns , 40 ns typisch
- Typische Sanftanlauf-Zeit: 14 ms
- FREIGABE (EN)
- Eingangsschwellenwertbereich: 0,8 V bis 2,0 V
- Maximaler Eingangsstrom: 10 µA, 3,0 µA typisch
- Minimale Deaktivierungszeit (max.): 20 ms
- ESD-Fähigkeit Human-Body-Model (HBM): 1,5 kV
- Sperrschicht-Betriebstemperaturbereich: -40 °C bis +150 °C
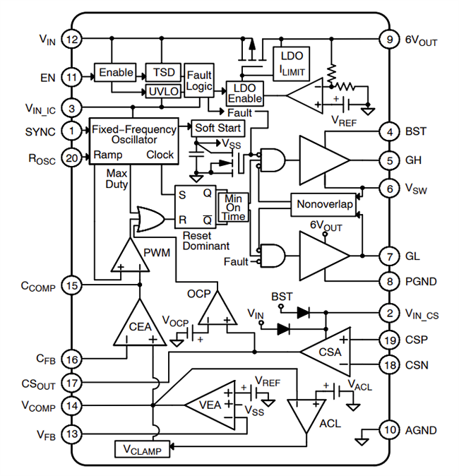
Funktionales Blockdiagramm
Applikations-Schaltplan
Veröffentlichungsdatum: 2023-08-11
| Aktualisiert: 2023-08-29
