onsemi NCV7725B 10-Kanal-Halbbrückentreiber
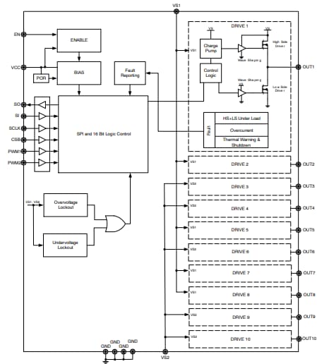
Der NCV7725B 10-Kanal-Halbbrückentreiber von Onsemi enthält Schutzfunktionen, die speziell für Automobil- und industrielle Bewegungssteuerungsapplikationen entwickelt wurden. Dieser Treiber unterstützt unabhängige Steuer- und Diagnosefunktionen und kann in Durchlassstrom-, Rückstrom- und Bremsstrom-Zuständen sowie Zuständen mit hoher Impedanz betrieben werden. Der NCV7725B Halbbrückentreiber von Onsemi kann verkettet werden und wird über eine 16-Bit-SPI-Schnittstelle gesteuert. Die Ausgänge 1 und 2 des Treibers können über ein externes PWM-Signal gesteuert werden. Dieser Treiber bietet außerdem einen niedrigen Ruhestrom im Schlafmodus, einen integrierten Freilaufschutz (LS und HS), eine Unterspannungs- und Überspannungssperre, einen Überstromschutz sowie einen Übertemperaturschutz. Der NCV7725B Treiber ist ideal für die Automobilindustrie, die Industrie und das DC-Motor-Management für HLK-Applikationen.Merkmale
- Niedriger Ruhestrom im Schlafmodus
- High-Side- und Low-Side-Treiber in Halbbrückenkonfigurationen
- Integrierter Freilaufschutz (LS und HS)
- 500 mA typischer Stromfluss
- 1,1 AA Spitzenstrom
- 0,8 Ω typischer RDS(on)
- Externe PWM-Steuerung von OUT1 und OUT2
- 5 MHz SPI-Kommunikation
- 16-Bit-Rahmenfehlererkennung
- Kann mit mehreren 8-Bit-Bauteilen verkettet werden
- Entspricht 3,3 V- und 5 V-Systemen
- Unterspannungs- und Überspannungssperre
- Fehlermeldung pro Kanal
- Überstromschutz
- Übertemperaturschutz
- Unterlasterkennung (HS und LS)
- Gehäuse mit freiliegendem Pad
- NCV-Präfix für Automotive- und andere Applikationen, die einzigartige Platz- und Steueränderungsanforderungen erfüllen müssen
- AEC-Q100-qualifiziert
- PPAP-fähig
- Bleifreies Bauelement
Applikationen
- Automobil-Applikationen
- Industrie
- DC-Motor-Management für HLK-Applikationen
Blockdiagramm
Typische Applikations-Schaltung
Veröffentlichungsdatum: 2020-05-20
| Aktualisiert: 2024-06-06
