onsemi NCV7723B 6-Kanal-Halbbrückentreiber

Der 6-Kanal-Halbbrückentreiber NCV7723B von onsemi enthält Schutzfunktionen, die speziell für Bewegungssteuerungsanwendungen für Fahrzeuge und in der Industrie entwickelt wurden. Dieser Treiber verfügt über unabhängige Steuerungs- und Diagnosefunktionen und kann im Vorwärts-, Rückwärts-, Brems- und Hochimpedanzzustand betrieben werden. Der Halbbrückentreiber NCV7723B von onsemi wird über eine 16-Bit-SPI-Schnittstelle gesteuert und kann verkettet werden. Dieser Treiber bietet einen niedrigen Ruhestrom im Schlafmodus, eine Unterspannungs- und Überspannungssperre, integrierten Freilaufschutz (LS und HS), Überstromschutz sowie Übertemperaturschutz. Der Halbbrückentreiber NCV7723B ist ideal für den Einsatz in der Automobilbranche, der Industrie und im DC-Motor-Management für HLK-Anwendungen.

Merkmale

  • Schlafmodus mit niedrigem Ruhestrom
  • High-Side- und Low-Side-Treiber in Halbbrückenkonfigurationen
  • Integrierter Freilaufschutz (LS und HS)
  • Typischer Strom von 500 mA und Spitzenstrom von 1,1 A
  • RDS(on) 0,8 Ω (typ.)
  • OUT1 und OUT2 externe PWM-Steuerung
  • 5 MHz SPI-Kommunikation
  • 16-Bit-Rahmenfehlererkennung
  • Kompatibel für die Verkettung mit mehreren 8-Bit-Bauteilen
  • Kompatibel mit 3,3-V- und 5-V-Systemen
  • Unterspannungs- und Überspannungssperre
  • Fehlermeldung pro Kanal
  • Überstromschutz
  • Übertemperaturschutz
  • Unterlasterkennung (HS und LS)
  • Gehäuse mit freiliegendem Pad
  • NCV-Präfix für Automotive- und andere Applikationen, die einzigartige Platz- und Steueränderungsanforderungen erfüllen müssen
    • AEC-Q100-qualifiziert
    • PPAP-fähig
  • Bleifreies Bauelement

Applikationen

  • Automobil-Applikationen
  • Industrieapplikationen
  • DC-Motormanagement für HLK-Systeme

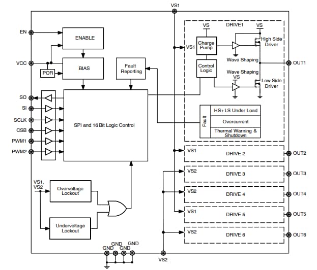
Blockdiagramm

Blockdiagramm - onsemi NCV7723B 6-Kanal-Halbbrückentreiber

Anwendungsschaltschema

Applikations-Schaltungsdiagramm - onsemi NCV7723B 6-Kanal-Halbbrückentreiber
Veröffentlichungsdatum: 2020-05-22 | Aktualisiert: 2024-05-22