onsemi NCV75215 ASSP für Ultraschallmessung
Das onsemi NCV75215 anwendungsspezifische Standardprodukt (ASSP) für die Ultraschall-Parkabstandsmessung ist zur Verbesserung der Parkassistenzsysteme in Fahrzeugen durch die Bereitstellung von präzisen Hindernisabstandsmessungen ausgelegt. Unter Verwendung eines piezoelektrischen Ultraschall-Transducers arbeitet das NCV75215 von onsemi mit hoher Empfindlichkeit und geringem Rauschen, wodurch eine Hinderniserkennung von 0,25 m bis 4,5 m ermöglicht wird. Das Bauteil steuert den Transducer mit einer programmierbaren Frequenz an und verarbeitet das empfangene Echo, um die Entfernung zu einem Hindernis durch die Time-of-Flight-Messung (TOF) zu bestimmen. Dieses Bauteil verfügt über eine einstellbare Verstärkungsregelung, eine akustische Rauschüberwachung und Diagnosefunktionen für die Leistung des Transducers. Außerdem verfügt das Bauteil NCV75215 über einen EEPROM-Speicher für Konfigurationseinstellungen und Benutzerdaten, um einen zuverlässigen und anpassbaren Betrieb zu gewährleisten. Dieses ASSP eignet sich hervorragend für Fahrzeugparkassistent-Applikationen und liefert genaue und zuverlässige Distanzmessungen, um die Sicherheit und den Komfort beim Parken zu verbessern.Merkmale
- 0,25 m bis 4,5 m Messabstandsbereich (abhängig von externen Teilen)
- Akustische Geräuschüberwachung
- Messung der Resonanzperioden des Transducers
- Diagnose der Wandlerleistung
- Überwachung der Sperrschichttemperatur und thermische Abschaltung
- 35 kHz bis 90 kHz Mittelfrequenzbereich des Transducers
- Direkte und indirekte Messmodi
- EEPROM-Speicher zur Konfiguration von Einstellungen und Benutzerdaten
- 50 dB bis 110 dB einstellbarer Rx-Verstärkungsbereich in Schritten von 0,5 dB
- Zeitabhängige Schwellenwerte für die Empfindlichkeitsregelung
- Dynamische (zeitabhängige) Verstärkungsregelung
- 50 mA bis 350 mA einstellbarer Tx-Strombereich
- Programmierbare Ultraschall-Burst-Länge
- Bidirektionale I/O-Leitung auf dem Chip
- Kleines TSSOP16-Gehäuse
- AEC-Q100-qualifiziert und Produktionsteil-Abnehmeverfahren (PPAP) fähig
- Bleifrei und RoHS-konform
Applikationen
- Parkassistenzsysteme für Fahrzeuge
- Notbremse für Fahrzeuge
- Totwinkelerkennung für Fahrzeuge
- Ultraschall-Abstandsmessungen
Technische Daten
- Versorgungsspannungsbereich: 6 VDC bis 18 VDC
- Maximale Versorgungsspannung und Stromverbrauch insgesamt
- 8 mA im Normalmodus, keine Übertragung
- 1 mA im Stromsparmodus
- 1 ms maximale Aktivierungszeit vom Stromsparmodus in den Normalmodus
- Empfängerverstärker
- Typischer Eingangswiderstand: 87 kΩ
- Typische Eingangskapazität: 100 pF
- Programmierbare Empfängerverstärkung: 50 dB bis 110 dB
- Typische Empfänger-Verstärkung: 0,5 dB pro Schritt, 127 Schritte
- 35 kHzz bis 90 kHzz Bandbreite VIP
- Transducertreiber
- Programmierbarer Senderstrombereich: 50 mA bis 350 mA
- Typischer Senderstrom: 4,76 mA pro Schritt, 63 Schritte
- Senderstrom-Toleranz: ±20 %
- Interne Oszillatorfrequenz: 9,7 MHz bis 10,3 MHz
- EEPROM
- Mindestens 15 Jahre Datenhaltung
- Mindest-Schreibdauer: 100 Zyklen
- 1 Million Zyklen Auffrisch-/Lesehaltbarkeit
- Maximale ESD-Fähigkeit
- 2 kV Human-Body-Modell (HBM)
- 500 V Charged-Device-Model (CDM), alle Pins
- 750 V Charged-Device-Model (CDM), Eckpins
- Maximale Latch-up-Festigkeit
- 200 mA at +25 °C
- 100 mA at +125 °C
- Thermischer Sperrschicht-zu-Luft-Widerstand: 135 °C/W
- Temperaturen
- Maximale Sperrschicht: +125 °C
- Bleilöten bei max. +260 °C
- Umgebungsbereich unter Vorspannung: -40 °C bis +85 °C
- Sperrschichtbereich unter Vorspannung: -40 °C bis +125 °C
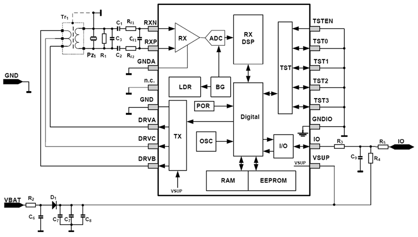
Applikationsschaltschema
I/O-Leitungstreiberaufbau/Externes Netzwerk
Veröffentlichungsdatum: 2025-04-29
| Aktualisiert: 2025-12-04
