onsemi NCV57001F IGBT-Gate-Treiber
Der onsemi NCV57001F IGBT-Gate-Treiber ist ein Hochstrom-Einkanal-IGBT-Treiber mit interner galvanischer Trennung, der für einen hohen Systemwirkungsgrad und eine hohe Zuverlässigkeit in Hochleistungsanwendungen entwickelt wurde. Dieser Gate-Treiber verfügt über komplementäre Eingänge, Open-Drain-FAULT- und Ready-Ausgänge, eine aktive Miller-Klemme, präzise UVLOs, DESAT-Schutz und Sanftabschaltung bei DESAT. Der onsemi NCV57001F IGBT-Gate-Treiber nimmt sowohl 5-V- als auch 3,3-V-Signale auf der Eingangsseite und einen großen Vorspannungsbereich auf der Treiberseite auf und verfügt über eine negative Spannungsbelastbarkeit. Dieser Gate-Treiber bietet eine galvanische Trennung von >5kVrms (UL1577-Einstufung) und sind >1.200 VIORM -fähig (Betriebsspannung). Zu den typischen Applikationen gehören Automotive-Netzteile, HEV/EV-Antriebsstrang, BSG-Wechselrichter und Thermistoren mit positivem Temperaturkoeffizient (PTC).Merkmale
- Hochstromausgang (4A/-6A) bei IGBT-Miller-Plateau-Spannungen
- Niedrige Ausgangsimpedanz für einen verbesserten IGBT-Antrieb
- Kurze Laufzeitverzögerungen mit präziser Anpassung
- Aktive Miller-Klemme, um störendes Gate-Einschalten zu verhindern
- DESAT-Schutz mit programmierbarer Verzögerung
- Sanftabschaltung von 55 ns (typisch) während IGBT-Kurzschluss
- IGBT-Gate-Klemme während Kurzschluss
- IGBT-Gate-aktiver Pulldown
- Enge UVLO-Schwellenwerte für Vorspannungsflexibilität
- Großer Vorspannungsbereich, einschließlich negativer VEE2
- 3,3 V bis 5 V Eingangsversorgungsspannungsbereich
- Galvanische Trennung (für UL1577 Anforderungen): 5.000 V
- Betriebsspannung: 1.200 V (gemäß VDE0884-10 Anforderungen)
- Hohe transiente Immunität
- Hohe Beständigkeit gegen elektromagnetische Störungen
- Das Bauteil ist bleifrei, halogenfrei/BFR-frei und RoHS-konform
- AEC-Q100-qualifiziert und PAAP-fähig
Applikationen
- Automotive-Netzteile
- HEV-/EV-Antriebsstrang
- BSG-Wechselrichter
- PTC-Heizelemente
Weitere Ressourcen
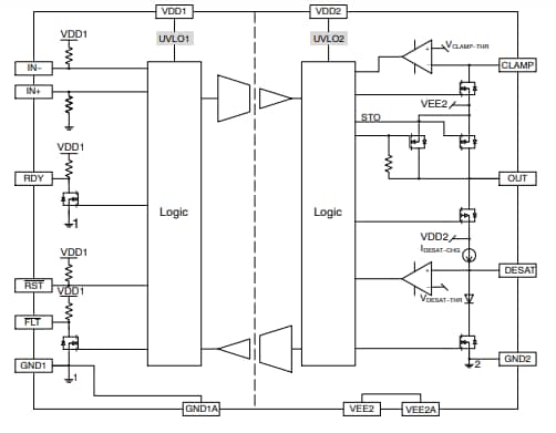
Blockdiagramm
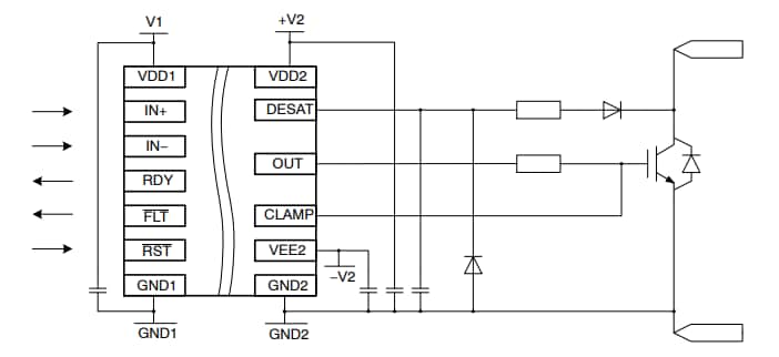
Vereinfachte Applikations-Schaltung
Veröffentlichungsdatum: 2020-06-02
| Aktualisiert: 2024-06-10
