onsemi NCP81568 Schaltspannungsregler
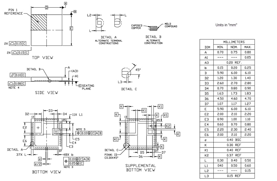
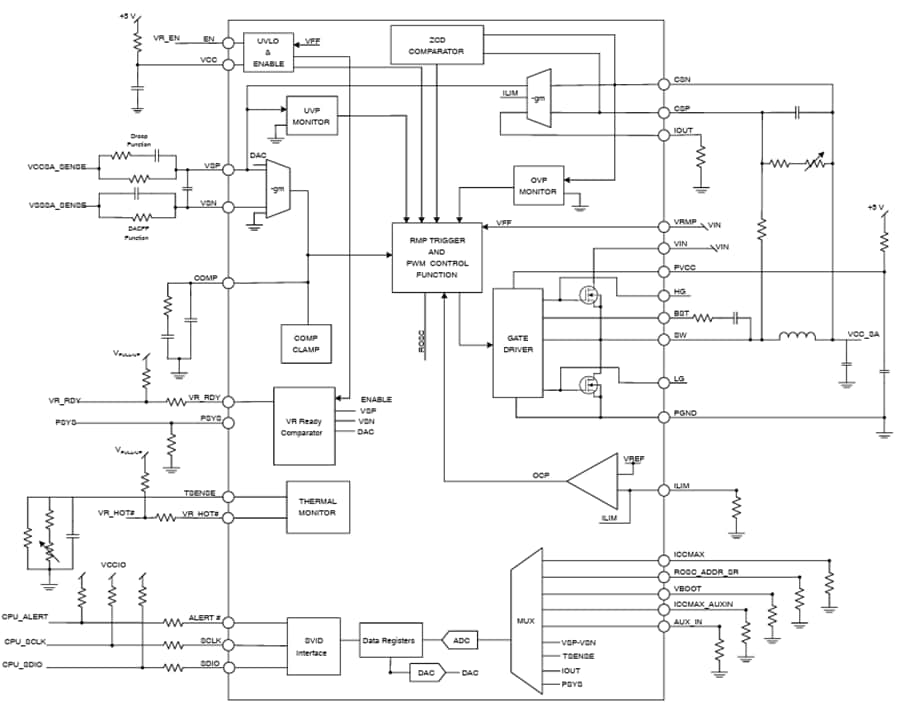
Der onsemi NCP81568 Schaltspannungsregler ist ein einphasiger Spannungsregler mit SVID-Schnittstelle für Computerapplikationen. Dieser Schaltspannungsregler ist ein leistungsstarker Einphasen-Einzelschienen-Regler mit niedrigem Ruhestrom und integriertem Leistungs-MOSFET. Der NCP81568 Regler verfügt über einen IOUT -Wächter mit extrem niedrigem Offset und DCR-Erkennung und Differential-Fernausgangsspannung. Dieses Bauteil ist in der Lage, bis zu 20,25 A TDC und 40 A ICCMAX Ausgangsstrom auf einem einstellbaren Ausgang zu liefern. Der NCP81568 Regler wird mit einem Stromüberwachungsverstärker mit extrem niedrigem Offset und programmierbarer Offset-Kompensation für eine Stromüberwachung mit hoher Genauigkeit geliefert. Dieser Regler ist in einem QFN48-Gehäuse von 6 mm x 6 mm, mit einem Rastermaß von 0,4 mmerhältlich und ist ein bleifreies Bauteil. Der NCP81568 Schaltspannungsregler eignet sich hervorragend für Desktops, Notebooks und Ultra-Book-Computer.Merkmale
- Leistungsstarkes RPM-Steuersystem
- Intel IMVP9.2 Protokoll
- IOUT -Wächter mit extrem niedrigem Offset und DCR-Abtastung
- Differentiale Fernmessung der Ausgangsspannung
- Sanfte transiente Steuerung reduziert Einschaltstrom und Audio-Rauschen
- Dynamische VID-Vorsteuerung
- Extern programmierbare Blindleistungsverstärkung
- Vorwärtssteuerung der Eingangsspannung
- Integrierter Überspannungs-, Unterspannungs- und Pin-programmierbarer Überstromschutz
- Null-Regeldifferenz fähig
- Ultraschallbetrieb
- Programmierbare Betriebsfrequenz
- QFN48-Gehäuse, 6 mm x 6 mm, Rastermaß von 0,4 mm
- Bleifreies Bauteil
Applikationen
- Computer
- Notebooks
- Ultrabooks
Blockdiagramm
Maßzeichnung
Veröffentlichungsdatum: 2025-01-31
| Aktualisiert: 2025-02-07
