onsemi NCP81567 6+2-Phasen-Ausgangsregler
Der onsemi NCP81567 6+2-Phasen-Ausgangsregler ist eine Sechs-Plus-Zweiphasen-Buck-Lösung, die für IMVP9.2 CPUs von Intel optimiert ist. Das mehrphasige Schienensteuerungssystem basiert auf der Dual-Edge-Pulsweitenmodulation (PWM) in Kombination mit der DCR-Strommessung. Diese Kombination bietet eine ultra-schnelle erste Reaktion auf dynamische Lastereignisse und reduzierte Systemkosten. Der NCP81567 von onsemi bietet einen Stromüberwachungsverstärker mit extrem niedrigem Offset und programmierbarer Offsetkompensation für eine hochpräzise Stromüberwachung.Merkmale
- 4,5 V bis 21 V Eingangsspannungsbereich
- Inbetriebnahme in vorgeladene Lasten bei gleichzeitiger Vermeidung von falschem OVP
- Digitale Soft-Start-Rampe
- Einstellbares Vboot
- Hochohmiger differentieller Ausgangsspannungsverstärker
- Unterstützung von zwei VID-Tabellen, um mit IMVP9.2 kompatibel zu sein
- Unterstützt Hochstrom-Erweiterungen
- Dynamische Referenzeinspeisung
- Programmierbare Anstiegsgeschwindigkeiten der Ausgangsspannung
- Dynamische VID-Vorsteuerung
- Differentialstrommessverstärker für jede Phase
- Programmierbare adaptive Spannungspositionierung (AVP)
- Einstellbarer Schaltfrequenzbereich
- Digital stabilisierte Schaltfrequenz
- Betrieb mit Ultraschall
- Unterstützt die Funktion zur Rauschunterdrückung
- Unterstützung für VCCIN_AUX IMON-Eingang
- PSYS-Eingangsmonitor
- Entspricht den Spezifikationen von Intel IMVP9.2
- Dual-Edge-Modulation im Strommodus für eine schnelle erste Reaktion auf transiente Belastungen
- QFN52-Gehäuse, 6 mm x 6 mm
- Feuchteempfindlichkeit (MSL) 1
- Bleifrei und RoHS-konform
Applikationen
- Desktop-Computer
- Notebooks
- Ultrabooks
Technische Daten
- Bereich: 4,75 V bis 5,25 V VCC
- Versorgungsbereich: 4,5 V bis 21 V VIN
- Ausgangsbereich: 0,1 V bis 3 V
- ESD-Belastbarkeit
- Human-Body-Model: 200 V
- Charged-Device-Model: 750 V
- Timer für die Phasenerkennung: 1,5 ms (min.)
- Temperaturen
- Betriebssperrschichtbereich: -40 °C bis +125 °C
- Betriebsumgebungsbereich: -40 °C bis +100 °C
- Löten: +260 °C
Internes Blockdiagramm
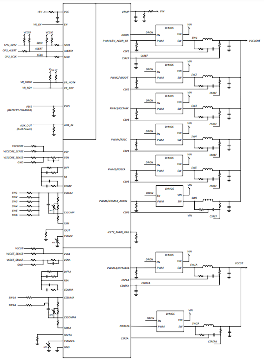
Typische Applikations-Schaltung
Veröffentlichungsdatum: 2025-02-26
| Aktualisiert: 2025-03-05
