onsemi NCP81565 6 + 2-Phasen-Ausgangsregler
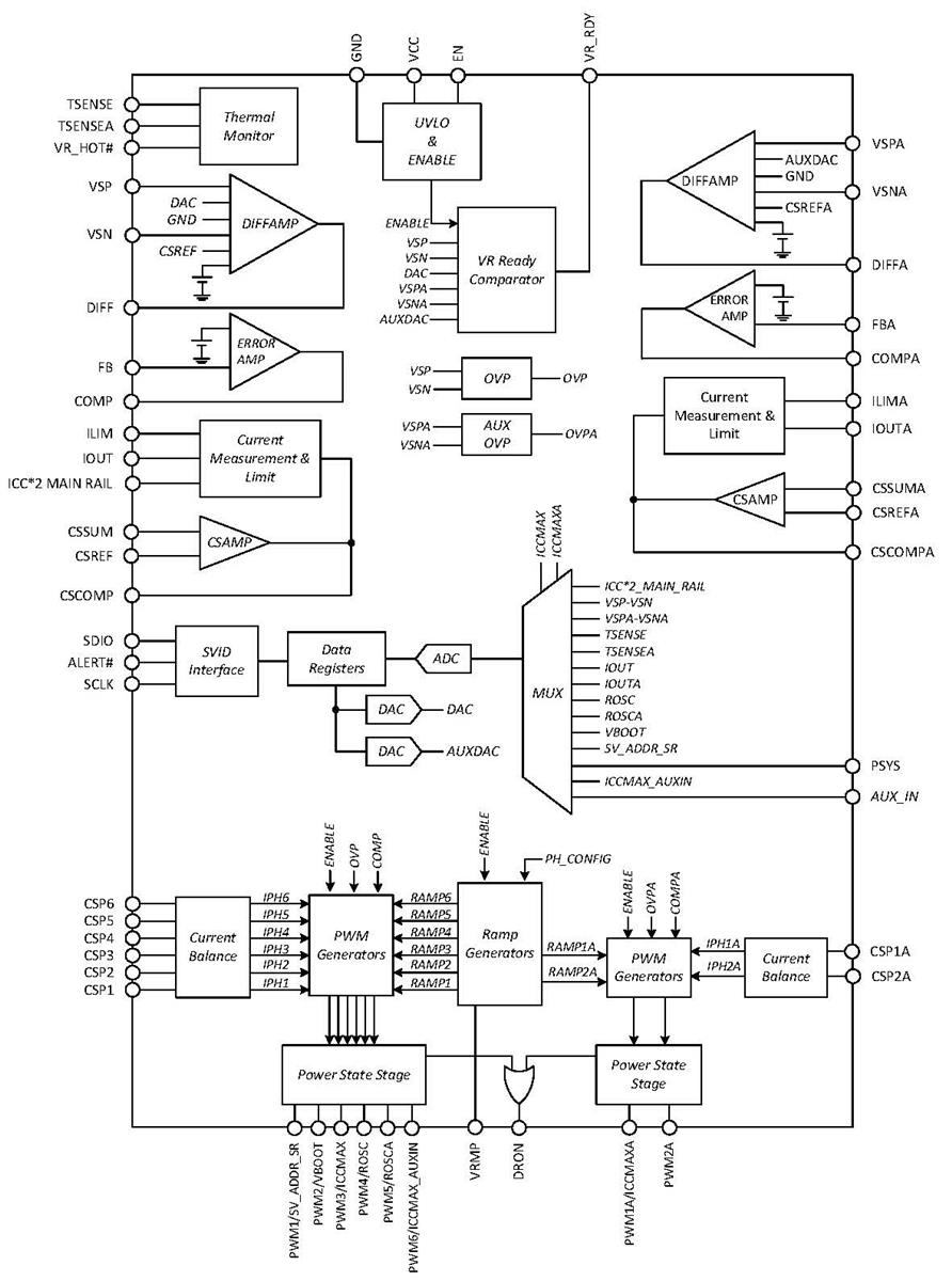
Die 6 + 2-Phasen-Ausgangsregler NCP81565 von onsemi sind Doppelschienen-Abwärtwandler-Lösungen, die speziell für die IMVP9.1-CPUs von Intel ausgelegt sind. Der NCP81565 von onsemi setzt Dual-Edge-Pulsweitenmodulation (PWM) und DCR-Strommessung in seinem Mehrphasen-Schienensteuerungssystem ein. Diese Funktionen gewährleisten eine schnelle Reaktion auf dynamische Laständerungen und niedrigere Systemkosten. Darüber hinaus verfügen die Bauteile über einen Stromüberwachungsverstärker mit extrem niedrigem Offset und programmierbarer Offset-Kompensation für eine präzise Stromüberwachung.Merkmale
- Differentieller Ausgangsspannungsverstärker mit hoher Impedanz
- Differentielle Strommessverstärker für jede Phase
- Programmierbare adaptive Spannungspositionierung (AVP)
- Digital stabilisierte Schaltfrequenz
Applikationen
- Computer
- Notebooks
- Ultrabooks
Blockdiagramm
Veröffentlichungsdatum: 2024-02-14
| Aktualisiert: 2024-09-17
