onsemi NCP81560 8 + 1-Phasen-Ausgangsregler
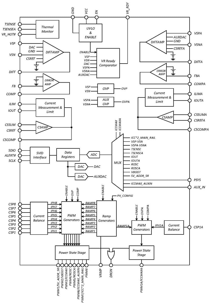
Die 8+1-Phasen-Ausgangs-Regler NCP81560 von onsemi sind Abwärtslösungen, die für die IMVP9.1 CPUs von Intel ausgelegt sind. Die onsemi NCP81560-Regler zeichnen sich durch ein duales, mehrphasiges Schienensteuersystem mit Dual-Edge-PVM und DCR-Strommessung aus, was eine schnelle Reaktion auf dynamischen Lastereignisse ermöglicht und Kosteneinsparungen mit sich bringt. Der Verstärker weist einen sehr schwachen Offset auf, um eine genaue Stromüberwachung mit programmierbarer Offset-Kompensation zu ermöglichen.Merkmale
- Differentieller Ausgangsspannungsverstärker mit hoher Impedanz
- Differentielle Strommessverstärker für jede Phase
- Programmierbare adaptive Spannungspositionierung (AVP)
- Digital stabilisierte Schaltfrequenz
- Zu den typischen Anwendungen gehören Computer
Blockdiagramm
Veröffentlichungsdatum: 2024-02-14
| Aktualisiert: 2024-05-02
