onsemi NCP1616 Blindleistungskompensations-Controller
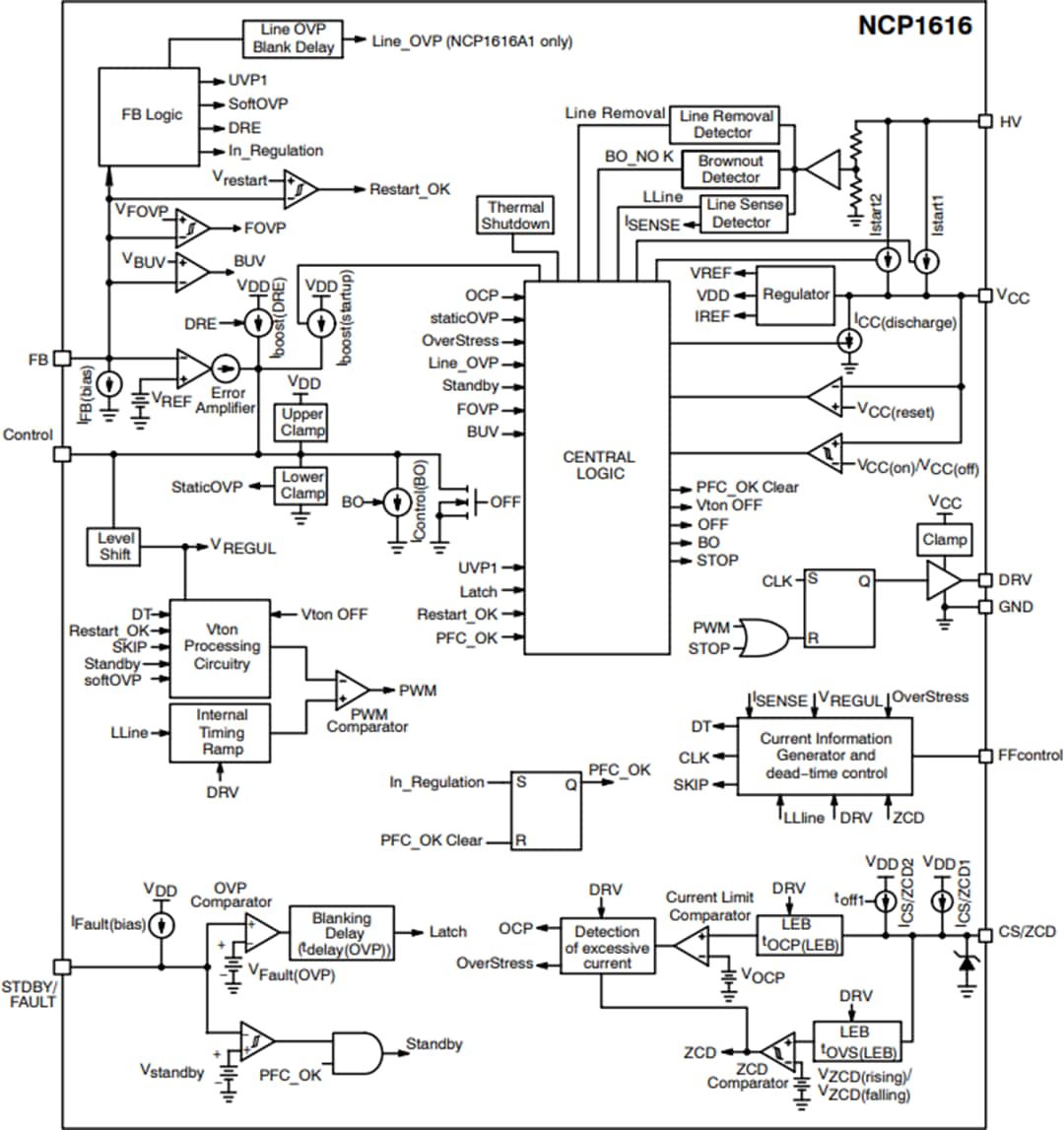
Der onsemi NCP161616 Blindleistungskompensations-Controller ist ein Hochspannungs-PFC-Controller, der zum Betreiben von Verstärkungsstufen basierend auf einem innovativen stromgesteuerten Frequenz-Foldback-Verfahren (CCFF) entwickelt wurde. In diesem Modus arbeitet der NCP1616 im kritischen Leitungsmodus (CrM), wenn der Induktivitätsstrom einen programmierbaren Wert übersteigt. Der NCP1616 zersetzt die Frequenz linear auf ein Minimum von etwa 26 kHz bei einem sinusförmigen Nulldurchgang, wenn der Strom unterhalb dieses voreingestellten Pegels liegt. CCFF maximiert den Wirkungsgrad bei Nenn- und leichter Last. Innovative Schaltungen ermöglichen einen nahezu einheitlichen Leistungsfaktor, selbst wenn die Schaltfrequenz reduziert wird. Die integrierte Hochspannungs-Startschaltung macht externe Startkomponenten überflüssig und verbraucht während des normalen Betriebs vernachlässigbare Leistung.Der PFC-Controller NCP161616 integriert große Auswahl von Schutzfunktionen, einschließlich Bulk-Überspannungs-/Unterspannungsschutz, Brownout-Dektektion, thermische Abschaltung und Leitungsüberspannungserkennung. Der NCP161616 ist in einem SOIC-9-Gehäuse untergebracht und verfügt über die notwendigen Funktionen für robuste und kompakte PFC-Stufen mit wenigen externen Komponenten.
Merkmale
- Hochspannungs-Startschaltkreis mit integrierter Spannungsabfall-Erkennung
- Eingang zu Kraftregler in den Standby-Modus
- Skip-Modus in der Nähe des Leitungsnulldurchgangs
- Ausgleich für schnelle Leitung / Lasttransienten
- Valley-Schaltering für verbesserten Wirkungsgrad
- Hohe Antriebsfähigkeit: −500 mA / +800 mA
- Breiter VCC-Bereich von 9,5 V bis 28,0 V
- Eingangsspannungsbereich-Erfassung
- Eingang X2 Kondensatorentladungs-Schaltkreis
- Gehäuseausführung: SOIC-9
- Halogen- und bleifrei
- Sicherheitsfunktionen
- Sanfter Überspannungsschutz
- Leitungs-Überspannungsschutz
- Überstromschutz
- Offener Pin-Schutz für FB und STDBY/FAULT Pins
- Interner thermischer Überhitzungsschutz
- Verriegelungs-Eingang für OVP
- Bypass/Boost-Diode-Kurzschluss-Sicherung
- Offener Erdungsschutz-Pin
Applikationen
- PC-Netzteile
- Offline-Bauteile, die eine Blindleistungskompensation erfordern
- LED-Treiber
- LCD-Displays
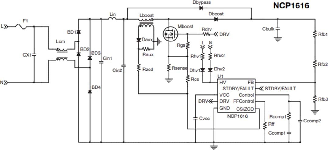
Typische Applikations-Schaltung
Blockdiagramm
Veröffentlichungsdatum: 2019-03-01
| Aktualisiert: 2025-03-04
