onsemi NCL30159 LLC-Wechselrichter-Regler
Der onsemi NCL30159 LLC-Wechselrichterregler bietet einen Betrieb mit großem Verdunkelungsbereich in großen Ausgangsbedingungen bei einem Frequenzbereich von bis zu 750 kHz. Dieser NCL30159 Induktivitätskondensator (LLC) ist ein primärseitiger Strommodusregler mit hohem Wirkungsgrad im Standby, einem Open-String-Schutz und einer dedizierten Inbetriebnahme. Der Wechselrichterregler bietet eine Hochspannungs-Einschaltfunktion und eine Brown− Out-Erkennung, welche das Design der Stromversorgung oder des LED-Kettentreibers erheblich vereinfacht. Dieser NCL30159-Regler ermöglicht die Funktion der maximalen Leistungsbegrenzung. Die analoge Dimmfunktion wird in Verbindung mit der PWM-Dimmfunktion verwendet, um den Fenster-LED-Treiber zu entwerfen und den Gesamtlichtstrom des LED-Strings zu steuern.Dieser Wechselrichterregler wird in einem SOIC-16-Gehäuse geliefert und enthält Halbbrücken-Ausgangstreiber mit der primären Strommessung. Der
Regler ist geeignet für Beleuchtungsapplikation mit minimalen externen Bauelementen. Zu den typischen Applikationen gehören Fenster- (CP)-LED-Treiber, dimmbare LED-Treiber, kostengünstige LED-Beleuchtung mit hohem Wirkungsgrad, EV-Akkuladegeräte und Fernseher-Netzteile.
Merkmale
- Integrierte Hochspannungs-Einschaltschaltung mit Brown-Out-Erkennung
- Bis zu 750kHz Hochfrequenzbetrieb (ab 20kHz)
- Stromsteuerungsschema
- Automatische Totzeit mit maximaler Totzeit-Klemme
- Überstrom- und Drahtbruchschutz
- Schutz vor kurzgeschlossenen LED-Strings
- Proprietärer Skip-Zyklus im Leerlaufbetrieb
- Spezielle Soft-Start-Sequenz zur Vermeidung harter Schaltvorgänge
- Bleifreies Bauelement
Technische Daten
- 50mV Spannungsabfall auf der Niederspannungsseite des Treibers
- 0.8A Kurzschlussstrom der Ausgangsquelle
- 1.5A Kurzschlussstrom der Ausgangssenke
- 10μA Ableitstrom
Applikationen
- Kostengünstige LED-Beleuchtung mit hohem Wirkungsgrad (50W bis 300W)
- Fenster (CP) LED-Treiber
- Dimmbare LED-Treiber
- Akkuladegeräte
- Fernseher-Netzteile
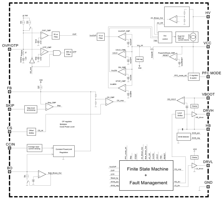
Blockdiagramm
Pin-Anschlüsse
Veröffentlichungsdatum: 2023-12-19
| Aktualisiert: 2024-05-29
