onsemi BCP56M NPN-Transistor im mittleren Leistungsbereich
Der onsemi BCP56M NPN-Transistor im mittleren Leistungsbereich ist für Universal-Verstärkerapplikationen ausgelegt, die eine hervorragende thermische Leistungsfähigkeit bieten. Dieser NPN-Transistor ist für eine optimale automatische optische Inspektion (Automated Optical Inspection, AOI) in einem DFN2020-3-Gehäuse mit benetzbarer Flanke untergebracht. Der BCP56M Transistor im mittleren Leistungsbereich ist ein 80 V, 1 A Bauteil, das in einem Sperrschicht- und Lagertemperaturbereich von -65°C bis 150°C betrieben wird. Dieser Transistor ist AEC-Q101-qualifiziert, PPAP-fähig, bleifrei, halogen-/BFR-frei und RoHS-konform. Der BCP56M TRANSISTOR im mittleren Leistungsbereich eignet sich hervorragend für Universal-Schaltung und Verstärkung sowie Automotive-ECUs.Merkmale
- Gehäuse mit benetzbarer Flanke für eine optimale automatische optische Inspektion (AOI)
- NSV-Präfix für Fahrzeuganwendungen und andere Applikationen mit einzigartigen Platz- und Steueränderungsanforderungen
- Sperrschicht- und Lagertemperaturbereich: -65 °C bis +150 °C
- AEC-Q101-qualifiziert und Produktionsteil-Abnehmeverfahren (PPAP) fähig
- Bleifrei, halogenfrei/BFR-frei und RoHS-konform
Applikationen
- Universal-Schaltung und Verstärkung
- Automotive-ECUs
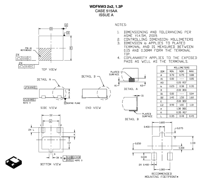
Gehäuseabmessungen
Veröffentlichungsdatum: 2024-09-12
| Aktualisiert: 2024-10-18
