onsemi NXH100B120H3Q0 Dual-Aufwärts-Leistungsmodule
Die NXH100B120H3Q0 Dual-Aufwärts-Leistungsmodule von onsemi verfügen über einen hohen Wirkungsgrad und eine hervorragende Zuverlässigkeit. Die NXH100B120H3Q0 integrierten Field-Stop-Trench-IGBTs und SiC-Dioden bieten geringere Leitungs- und Schaltverluste. Die NXH100B120H3Q0 Dual-Aufwärts-Leistungsmodule eignen sich hervorragend für Energiespeichersysteme, Solarwechselrichter und unterbrechungsfreie Stromversorgungsapplikationen.Merkmale
- 1.200-V-Ultra-Field-Stop-IGBTs
- Niedrige Sperrverzögerung und schnellschaltende SiC-Dioden
- 1.600-V-Bypass- und antiparallel geschaltete Dioden
- Niedriges induktives Layout
- Lötbare Pins oder Press-Fit-Pins
- Thermistor
- Optionen mit zuvor aufgebrachtem Wärmeleitmaterial (TIM) und ohne zuvor aufgebrachtes TIM
Applikationen
- Solarwechselrichter
- Unterbrechungsfreie Stromversorgungen
- Energiespeichersysteme
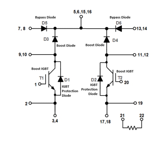
Schaltplan-Diagramm
Veröffentlichungsdatum: 2019-11-06
| Aktualisiert: 2024-06-24
