onsemi NCV7462 System-Basis-Chip

Der System-Basis-Chip NCV7462 von onsemi ist mit LIN-, CAN-, High-Side(HS)- und Low-Side(LS)-Treibern ausgestattet. Der Chip NCV7462 von onsemi verfügt über einen erweiterten Funktionsumfang, der für Bordnetzsteuergeräte im Automobilbereich nützlich ist. Dieser IC verfügt über zwei 5-V-Spannungsregler, High-Side- und Low-Side-Schalter zur Steuerung von LEDs und Relais sowie Überwachungsfunktionen wie z. B. einen Fenster-Watchdog. Der Chip NV7462 ist eine hochintegrierte Lösung, die die externen diskreten Bauelemente ersetzt und gleichzeitig die Systemflexibilität aufrechterhält. Zu den typischen Applikationen gehören dezentrale elektronische Türsysteme, Bordnetzsteuergeräte (BCMs) und Klimasteuerungssysteme. 

Merkmale

  • High-Side- und Low-Side-Schalter zur Steuerung von LEDs und Relais
  • Überwachungsfunktionen wie z. B. ein Fenster-Watchdog
  • Funktioneller Hauptversorgungs-Betriebsbereich: 5 V bis 28 V
  • Parametrischer Hauptstromversorgungsbetriebsbereich: 6 V bis 18 V
  • CAN-Hochgeschwindigkeit Transceiver konform mit ISO 11898
  • TxD-Timeout auf CAN
  • LIN-Physical-Layer gemäß LIN 2.x und SAEJ2602
  • Programmierbare TxD-Zeitüberschreitung auf LIN
  • Leistungsmanagement über Betriebsmodi:
    • wert
    • Standby
    • Ruhezustand
    • Flash
  • Low-Drop-Spannungsregler VR1 mit 5 V/250 mA und ±2 % Ausgangstoleranz
  • Sperrstrom-geschützter Low-Drop-Spannungsregler VR2 mit 5 V/50 mA und ±2 % Ausgangstoleranz
  • 3 x Wake-up-Eingänge
  • Aktivierungs-Logikschaltung mit zyklischer Kontaktüberwachung
  • Aktivierungs-Quellenerkennung
  • Unabhängiger PWM Funktionsumfang Funktionsumfang für alle Ausgänge (integrierte PWM-Register)
  • 2 x Low-Side-Treiber (Typ 3) mit Überlastschutz und aktiver Klemme
  • 1 x High-Side-Treiber (Typ 1) mit Über- und Unterlast-Erkennung und automatischer Wiederherstellung
  • 1 x High-Side-Treiber (wählbar zwischen Typ 2 und 7) mit Über- und Unterlast-Erkennung
  • 3 x High-Side-Treiber (Typ 7) mit Über- und Unterlast-Erkennung
  • 2 x Operationsverstärker für die Strommessung
  • 24-Bit-SPI-Schnittstelle
  • Schutz gegen Kurzschluss , Überspannung und Übertemperatur
  • SSOP36-EP-Gehäuse
  • AEC-Q100-qualifiziert und PAAP-fähig

Applikationen

  • Dezentrale elektronische Türsysteme
  • Bordnetzsteuergeräte (BCUs)
  • Klimakontrollsysteme

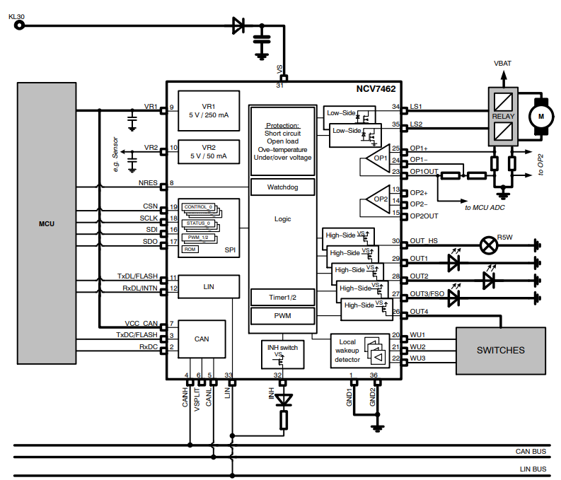
Blockdiagramm

Blockdiagramm - onsemi NCV7462 System-Basis-Chip

Anwendungsschaltplan

Applikations-Schaltungsdiagramm - onsemi NCV7462 System-Basis-Chip
Veröffentlichungsdatum: 2020-09-03 | Aktualisiert: 2024-05-30