onsemi NCV7422 Dual LIN-Transceiver
Der Dual-LIN-Transceiver (Local Interconnect Network) NCV7422 von onsemi ist ein Zweikanal-Physical-Layer-Bauelement, das das LIN-Protokoll verwendet. Dieser Transceiver ermöglicht die Verbindung von zwei unabhängigen physischen LIN-Bussen und den LIN-Protokoll-Reglern. Der LIN-Bus wurde zur Übertragung von Daten mit niedriger Geschwindigkeit von Bauteilen wie Türschlössern, Spiegeln, Autositzen und Schiebedächern zu möglichst geringen Kosten entwickelt. Dieser Bus macht viel Verkabelung überflüssig und wird mit einem einzigen Draht in jedem Knoten implementiert. Der LIN-Transceiver NCV7422 von onsemi gehört zu den IVN-Transceivern (In-Vehicle-Networking). Diese Transceiver ist mit der ISO 17987-4 (rückwärtskompatibel mit LIN-Spezifikation Rev. 2.x und 1,3) und SAE J2602 konform.Merkmale
- Zweikanal-Physical-Layer-Bauelement
- Gehört zur IVN-Transceiver-Produktfamilie
- Busspannung: ±42 V
- Übertragungsratenbereich: 1 kBit/s bis 20 kBit/s
- TxD-Timeout-Funktion
- Integrierte Neigungssteuerung
- Schutzfunktionen
- Übertemperaturschutz
- Unterspannungserkennung
- Bus-Pins sind gegen Transienten in Automotive-Umgebungen geschützt
- Pin-kompatibel mit dem NCV7329 im DFN8-Gehäuse
- K-Leitungs-kompatibel
- Umweltfreundliches DFN-14-Gehäuse mit benetzbarer Flanke
- Modi
- Normal-Modus: LIN-Transceiver aktiviert, und Kommunikation über Bus ist möglich
- Schlaf Modus: LIN-Transceiver deaktiviert, und der Verbrauch von VBB wird minimiert
- Standby-Modus: Übergangsmodus nach dem Aktivierungsereignis auf dem Bus LIN-erreicht
- Mit ISO 17987-4-, LIN2.2a-, LIN2.2-, LIN2.1-, LIN 2,0- und SAEJ2602-Standards konform
- AEC-Q100-qualifiziert und PAAP-fähig
Blockdiagramm
Weitere Ressourcen
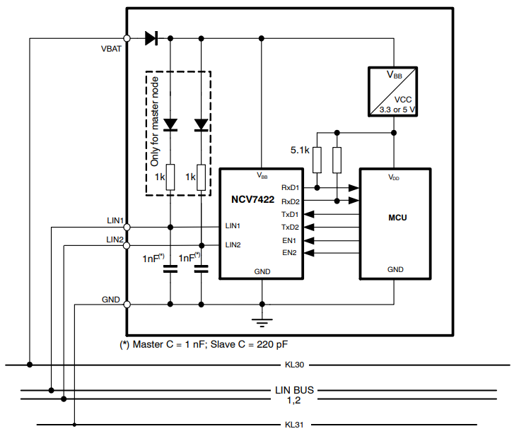
Anwendungsschaltschema
Veröffentlichungsdatum: 2020-06-08
| Aktualisiert: 2024-05-23
