onsemi FOD848x Optisch isolierte IPMs
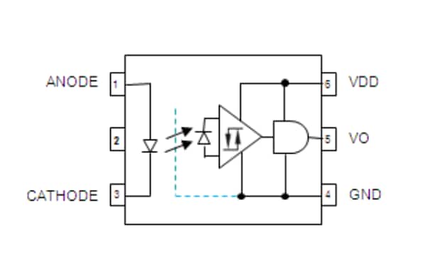
Die FOD848x Optisch isolierte intelligente Leistungsmodule (IPM) von onsemi kommunizieren digitale Steuersignale vom Controller zum IPM ohne leitende Masseschleifen oder gefährliche Spannungen. Die FOD848x IPMs sind in einem gestreckten 6-Pin-Kunststoffgehäuse mit kleinem Umriss untergebracht, das aus einer Aluminium-Galliumarsenid-(Algaas)-Leuchtdiode und einem integrierten Fotodetektor mit hoher Gain besteht. Der Fotodetektor verfügt über einen Detektor-Schwellenwert mit Hysterese, der eine Rauschimmunität im Differentialmodus bietet und das Potenzial für Ausgangssignal-Kontaktprellen eliminiert. Der nicht-invertierende Ausgang ist als Totem-Pole ausgelegt, der keinen Pull-up-Widerstand erfordert. Der FOD8482 verfügt über einen Eingangsstrom mit niedrigem Schwellenwert, IFLH, bei max. 3,0 mA.Die FOD848x Module sind über den erweiterten Industrie-Temperaturbereich von -40 °C bis +100 °C und einen VDD-Bereich von 4,5 V bis 30 V garantiert. Die Bauteile bieten einen niedrigen IF und einen großen VDD-Bereich, der eine Kompatibilität mit TTL-, LSTTL- und CMOS-Logik ermöglicht. Dies führt zu einem geringeren Stromverbrauch im Vergleich zu anderen Hochgeschwindigkeits-Optokopplern.
Merkmale
- Maximaler Schwellenwert des Eingangsstroms, IFLH
- FOD8480 – 5.5mA
- FOD8482 – 3.0mA
- FOD8480T und FOD8482T - 8 mm Kriech- und Luftstrecke und 0,4 mm interner Isolierabstand, um eine zuverlässige Hochspannungsisolierung zu erreichen
- Hohe Rauschimmunität durch die CMTI-Technologie (Common Mode Transient Immunity)
- Mind. 100 kV/µs CMTI
- Großer Betriebsspannungsbereich, 4,5 V bis 30 V
- Spezifikationen für einen erweiterten Temperaturbereich von -40 °C bis 100 °C garantiert
- Sicherheitszertifizierungen und behördliche Zulassungen
- UL1577, 5,000 VACRMS für 1 Minute
- DIN-EN/IEC60747-5-5, 1,140 V Spitzen-Betriebsisolationsspannung
Applikationen
- Isoliert intelligente Leistungsmodule
- Isoliert Industrie-Kommunikationsschnittstelle
PIN-VERBINDUNGEN
Veröffentlichungsdatum: 2019-11-07
| Aktualisiert: 2025-05-08
