Omron Industrial Automation S8VK-WA 200-V-Dreiphasen-Netzteil
Das 200-V-3-Phasen-Netzteil S8VK-WA von Omron Automation bietet einen Ausgang von 24 VDC und nutzt einen Eingang von 170 bis 264 VAC sowie eine Nennleistung von 240 bis 960 W. Der 3-Phasen-Eingabebereich eliminiert die Notwendigkeit der Lastausgleichs und das Risiko von Phasenverlust. Das S8VK-WA unterstützt eine schnelle Identifizierung von Fehlerstellen mit drei LEDs und zwei MOSFET-Relaisausgängen. Dieses Netzteil ist für eine Beständigkeit gegen hohe Einschaltströme von bis zu 150 % des Nennstroms für 10 s.Das S8VK-WA Schaltnetzteil von Omron erfüllt die Anforderungen gemäß EN/IEC 61558-2-16 Standards und kann bei einem Umgebungstemperaturbereich von -40 °C bis +70 °C betrieben werden.Technische Daten
- Ausgangsspannung: 24 V
- Eingangsspannungsbereich: 170 bis 264 VAC
- Nennleistung: 240 bis 960 W
- Wirkungsgrad: bis zu 95 %
- Überspannungs- und Überlastschutz
- Nennfrequenz: 50/60 Hz (47 bis 63 Hz)
- Ableitstrom: 1 mA (max.)
- EN/IEC 61558-2-16 konform
- Umgebungstemperaturbereich: -40 °C bis +70 °C
- Zwei MOSFET-Relaisausgänge (1 für DC-Ausgang und 1 für Überlastschutz)
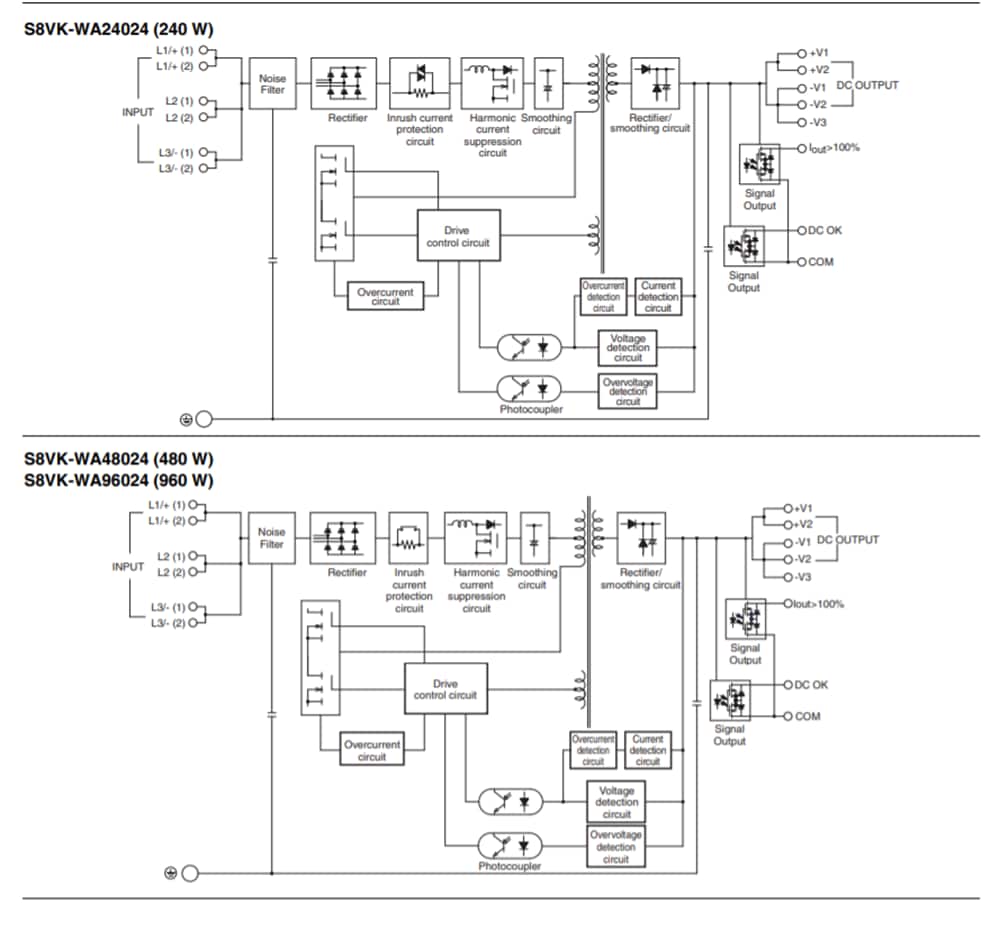
Blockdiagramme
Videos
Weitere Ressourcen
Veröffentlichungsdatum: 2019-04-16
| Aktualisiert: 2025-06-04
