Omron Electronics G5NB-EL-CF Schmale 5-A-Hochtemperatur-Relais
Omron Electronics G5NB-EL-CF Schmale 5-A-Hochtemperatur-Relais bieten eine schlanke PCB-Anschluss-Relaisoption für Designs, die eine Hochtemperaturschaltung (+105 °C) von 5 A bei 250 VAC erfordern. Diese abgedichteten Spulenrelais der Klasse F entsprechen dem explosionsfesten Standard IEC/EN60079-15. Diese Designfunktionen machen die GN5B-EL-CF Hochtemperaturrelais von Omron ideal für das Schalten in Umgebungen mit brennbaren Gasen.Merkmale
- Unterstützt AC- und DC-Lasten mit hoher elektrischer Lebensdauer
- 5 A bei 250 VAC (50.000 Betriebsabläufe bei +105 °C)
- 5 A bei 30 VDC (100.000 Betriebsabläufe bei +85 °C)
- IEC/EN60079-15-konform – explosionssicher für Applikationen, die ein Schalten in Umgebungen mit brennbaren Gasen erfordern
- Bis zu +105 °C Betriebstemperatur in Hochtemperaturmodellen für erweiterte Designflexibilität
Applikationen
- Wärmepumpen
- Heizkessel
- Klimaanlagen
- Industriemaschinen
- Fabrikautomatisierung
- Umrichter
Datenblätter
Anschlussanordnungen/interne Verbindung
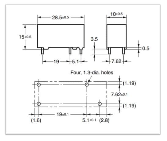
Abmessungen
Veröffentlichungsdatum: 2024-04-26
| Aktualisiert: 2024-05-10
