NXP Semiconductors TEA2017AAT LLC- und Multimodus-PFC-Controller

Der NXP Semiconductors TEA2017AAT LLC- und Multimodus-PFC-Controller ist ein digital konfigurierbarer LLC- und PFC-Kombi-Controller für Resonanznetzteile mit hohem Wirkungsgrad. Das Bauteil enthält einen LLC-Controller und einen PFC-Controller-Funktionsumfang. Der TEA2017AAT kann Benutzern dabei helfen, ein komplettes resonantes Netzteil zu erstellen, wodurch das Design mit einer geringen Anzahl Komponenten vereinfacht wird.

Die digitale Architektur basiert auf einer konfigurierbaren Hochgeschwindigkeits-Hardware-Zustandsmaschine, die eine zuverlässige Echtzeitleistung gewährleistet. Jede Konfiguration kann gesichert werden, um ein unbefugtes Kopieren des proprietären TEA2017AAT Konfigurationsinhalts von NXP Semiconductors zu verhindern. Das Bauteil ist in einem SO16-Gehäuse mit niedrigem Profil und schmaler Gehäusebreite verfügbar.

Merkmale

  • Vollständiger Funktionsumfang eines PFC- und LLC-Controllers in einem einzigen kleinen SO16-Gehäuse
  • Integriertes Hochspannungs-Einschalten
  • Integrierte Treiber und Hochspannungs-Pegelwandler (Level Shifter, LS)
  • Der High-Side-Treiber wird direkt vom Ausgang des Low-Side-Treibers versorgt
  • Genaue Aufwärtsspannungsregelung
  • PFC kann für den Betrieb in Folgendem konfiguriert werden:
    • DCM/QR
    • DCM/QR/CCM (wird auch als Multimodus-Betrieb bezeichnet)
    • CCM-Festfrequenz
  • Integrierte X-Kondensatorentladung ohne zusätzliche externe Komponenten
  • Power-Good-Funktion
  • PFC-Jitter für optimierte EMI-Leistung
  • Hervorragender Leistungsfaktor (PF) und Klirrfaktor (THD), da der PFC-Strom den Eingangsfilterstrom kompensiert
  • Mehrere Parameter können während der Evaluierung mit der grafischen Benutzeroberfläche (GUI) einfach konfiguriert werden, wie z. B.
    • Betriebsfrequenzen außerhalb des hörbaren Bereichs in allen Betriebsmodi
    • Sanfter Start und sanfter Stopp im Burst-Modus, wodurch das hörbare Geräusch reduziert wird
    • Genaue Übergangspegel zwischen den Betriebsmodi (Hochleistungsmodus/Stromsparmodus/Burst-Modus)
    • Aktivieren/Deaktivieren des Stromsparmodus
  • Tal-/Nullspannungsschaltung für minimale Schaltverluste
  • Extrem hoher Wirkungsgrad von niedriger bis hoher Last
  • Konform mit den aktuellsten Energiesparstandards und -richtlinien (Energy Star, EuP)
  • Ausgezeichnete Nulllast-Eingangsleistung (< 75 mW für TEA2017AAT/TEA2095T-Kombination)
  • Unabhängig konfigurierbare Stufen und Timer
  • Zahlreiche Schutzfunktionen können unabhängig voneinander auf „Verriegelt“, „Sicherer Neustart“ oder „Verriegelt nach mehreren Neustartversuchen“ eingestellt werden.
    • Unterspannungsschutz der Versorgung (UVP)
    • Überspannungsschutz (OPP)
    • Interner und externer Übertemperaturschutz (OTP)
    • Kapazitive Regelung (CMR)
    • Präziser Überspannungsschutz (OVP)
    • Überstromschutz (OCP)
    • Einschaltstromschutz (ICP)
    • Brown-in/Brown-out-Schutz
    • Eingang deaktivieren

Applikationen

  • Desktop- und All-in-One-PCs
  • Gaming-Netzteile
  • LCD-Fernseher
  • Notebook-Adapter und Universal-Adapter
  • Drucker
  • Server
  • 5G-Stromversorgungen
  • UHD-LED-Fernseher

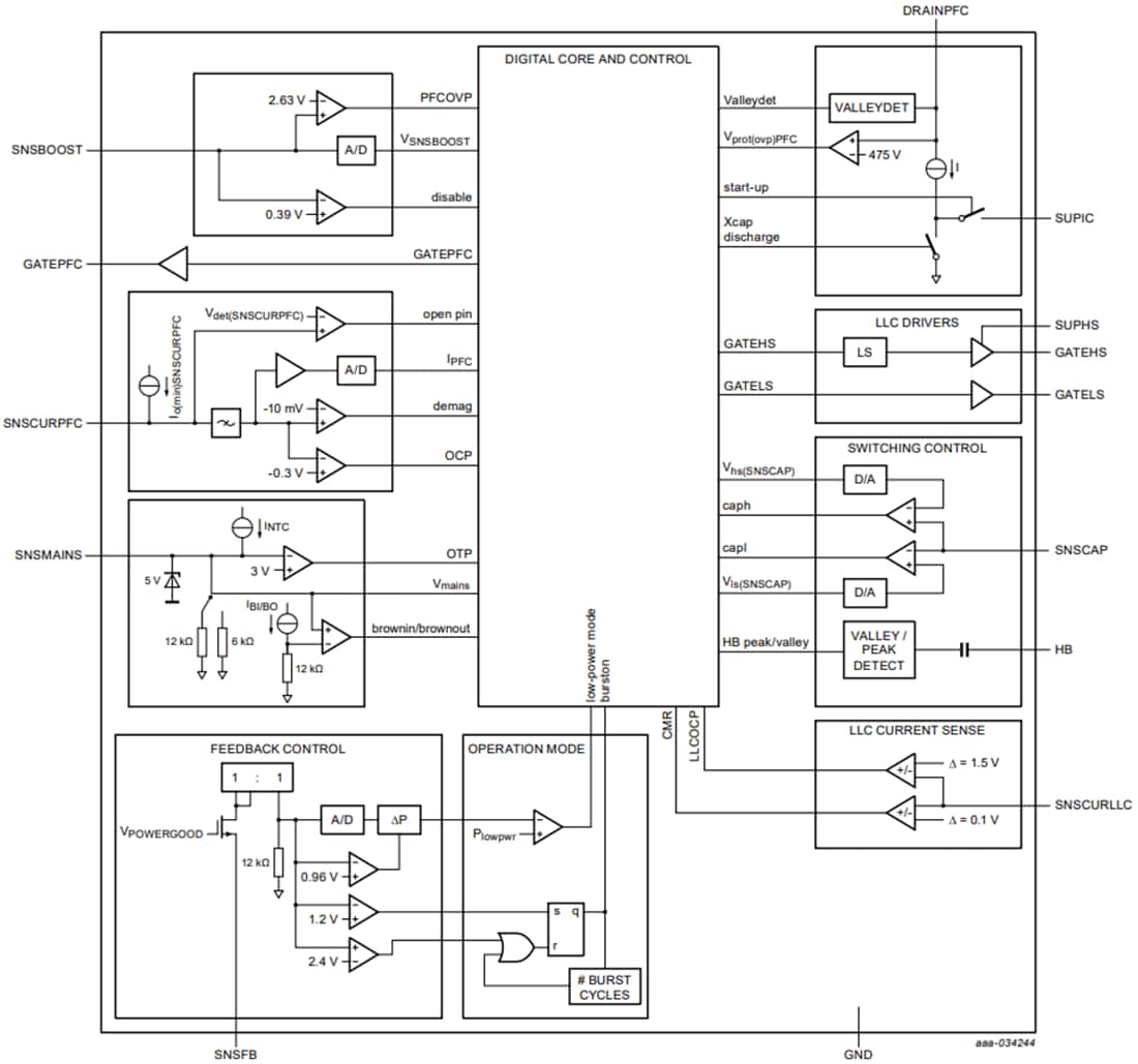
Blockdiagramm

Blockdiagramm - NXP Semiconductors TEA2017AAT LLC- und Multimodus-PFC-Controller
Veröffentlichungsdatum: 2022-05-18 | Aktualisiert: 2023-09-26