NXP Semiconductors S12ZVM-EFP Referenzdesign für elektrische Kraftstoffpumpen
Das Referenzdesign für elektrische Kraftstoffpumpen S12ZVM-EFP von NXP Semiconductors ist ein einsatzbereites Referenzdesign-Board für eine elektrische Dreiphasen-Permanentmagnet-Synchronmotoren (PMSM) mit 12 V für die Automobilindustrie. Basierend auf den 16-bit-Mischsignal-Mikrocontrollern S12 MagniV® S12ZVM verwendet der S12ZVM-EFP eine reibungslose Übergangs-I/F-Inbetriebnahme und einen Algorithmus für die Ausgangspositionserkennung (IPD), die strengen Anforderungen für das robuste und schnelle Einschalten in <150 ms vom Stillstand bis zur Nenngeschwindigkeit zu gewährleisten.Merkmale
- Unterstützt ein Stromversorgungssystem mit 12 V mit einem Fahrzeug-BLDC/PMSM-Motorsteuerungssystem von bis zu 250 W.
- Unterstützt eine sensorlose BLDC-/PMSM-FOC-Steuerung, sowohl mit Dual- als auch Einzel-Nebenwiderstände
- Robuste und schnelle Inbetriebnahme, welche die strenge Einschaltbedingung von < 150 ms vom Stillstand bis zur Nenndrehzahl erfüllt
- Der Übergang der aktuellen Z/F-Inbetriebnahme und der anfängliche Positionserkennungs-Algorithmus stellen sicher, dass die Inbetriebnahme erfolgreich ist
- Board wurde auf Änderungen der Versorgungsspannung, Laständerung, Geschwindigkeitsbefehls-Sprünge und Temperaturanstiege getestet
- Unterstützt mehrere Diagnosefunktionen und Schutzstrategien mit der robusten Gate-Treibereinheit (GDU)
- Unterstützt die Erkennung von Überspannung (OV), Unterspannung (UV), Kurzschluss und Überstrom (OC) sowie Übertemperatur (OT) und Blockierung.
- Unterstützt Geschwindigkeitsbefehle von PWM/FreeMASTER/LIN durch benutzerdefinierte Einstellungen
Applikationen
- Automotive-Kraftstoffpumpen
- BLDC/PMSM
Techische Ressourcen
Board-Layout
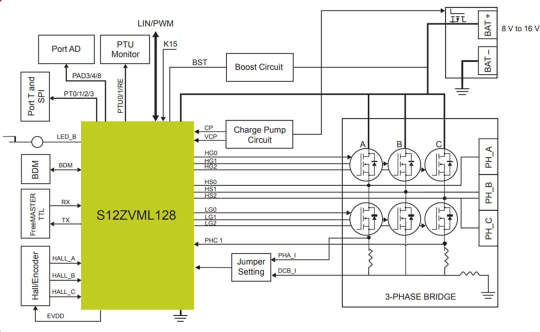
Blockdiagramm
Software – Blockdiagramm
Veröffentlichungsdatum: 2020-06-11
| Aktualisiert: 2024-10-25
