NXP Semiconductors PCA9501PW 8-Bit I/O Expander
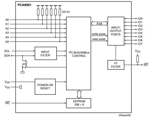
NXP Semiconductors PCA9501PW 8-bit I/O Expander is with an onboard 2-kbit EEPROM. The PCA9501PW features I/O expandable eight quasi-bidirectional data pins that can be independently assigned as inputs or outputs to monitor the board-level status or activate indicator devices such as LEDs. The system master writes to the I/O configuration bits in the same way as for the PCF8574. The EEPROM on the NXP Semiconductors PCA9501PW can be used to store error codes or board manufacturing data for read-back by application software for diagnostic purposes and are included in the I/O expander package. The PCA9501PW is ideal for a variety of applications, including board version tracking and configuration, board health monitoring and status reporting, and more.Features
- 8 general-purpose input/output expander/collector
- Replacement for PCF8574 with integrated 2-kbit EEPROM
- Internal 256 x 8 EEPROM
- Self-timed write cycle (5 ms typical)
- 16-byte page write operation
- I2C-bus and SMBus interface logic
- Internal power-on reset
- Noise filter on SCL/SDA inputs
- Active LOW interrupt output
- 6 address pins allowing up to 64 devices on the I2C-bus/SMBus
- No glitch on power-up
- Supports hot insertion
- Power-up with all channels configured as inputs
- Low standby current
- An operating power supply voltage range of 2.5V to 3.6V
- 5V tolerant inputs/outputs
- 0Hz to 400kHz clock frequency
- ESD protection exceeds 2000V HBM per JESD22-A114, 200V MM per
JESD22-A115, and 1000V CDM per JESD22-C101 - Latch-up testing is done to JEDEC Standard JESD78 which exceeds 100mA
- Packages offered SO20, TSSOP20, and HVQFN20
Applications
- Board version tracking and configuration
- Board health monitoring and status reporting
- Multi-card systems in telecom, networking, and base station infrastructure equipment
- Field recall and troubleshooting functions for installed boards
- General-purpose integrated I/O with memory
- Replacement for PCF8574 with integrated 2-kbit EEPROM
- Bus master sees GPIO and EEPROM as two separate devices
PCA9501PW Expander Block Diagram
Veröffentlichungsdatum: 2010-03-10
| Aktualisiert: 2022-03-11
