NXP Semiconductors P3A1604UK Einschwinger-Prüfkopf mit Pegelumsetzung und doppelter Stromversorgung

Der NXP Semiconductors P3A1604UK Einschwinger-Prüfkopf mit Pegelumsetzung und doppelter Stromversorgung ist ein vielseitiges 4-Bit-Bauteil, das für die bidirektionale Spannungspegelumsetzung mit automatischer Richtungserkennung ausgelegt ist. Der NXP P3A1604UK IC unterstützt einen großen Versorgungsspannungsbereich mit VCCA von 0,72 V bis 1,98 V und VCCB von 1,62 V bis 3,63 V, wodurch er sich für die Verbindung zwischen verschiedenen Spannungsknoten eignet. Der P3A1604UK eignet sich hervorragend für I3C-, I2C-, SMBus- und SPI-Applikationen und bietet eine aximale Datenrate von 40 Mbps im Push-Pull-Modus. Das robuste Design umfasst ESD-Schutz über 2.000 V (HBM) und 500 V (CDM), und der IC arbeitet zuverlässig über einen Temperaturbereich von -40 °C bis +125 °C. Dieser Einschwinger-Prüfkopf eignet sich hervorragend für Applikationen für Mobilgeräte sowie in der Industrie- und Unterhaltungselektronik. Er liefert problemlose Integration und effiziente Spannungspegelumsetzung.

Merkmale

  • Automatische Richtungserkennung und bidirektionale Spannungspegelumsetzung
  • Großer Versorgungsspannungsbereich
    • 0,72 V bis 1,98 V für VCCA
    • 1,62 V bis 3,63 V für VCCB
  • Keine Leistungssequenzierung erforderlich
  • Maximale Datenrate (DDR) pro Bit
    • 6.8Mbit/s (3,4 MHz) Open-Drain
    • 40Mbit/s (20 MHz) Push-Pull
  • Unterstützt I3C-, I2C-, SMBus-, SPI- und UART-Schnittstellen
  • Längerer One-Shot-Impuls zur Ansteuerung größerer kapazitiver Lasten mit reduziertem Nach- und Überschwingen
  • A-seitige und OE-Eingänge akzeptieren Spannungen bis zu 1,98 V
  • B-seitige Eingänge akzeptieren Spannungen bis zu 3,63 V
  • Schutz gegen elektrostatische Entladungen (ESD)
    • HBM übertrifft 2.000 V gemäß JESD22-A114E Klasse 2
    • CDM übertrifft 500 V gemäß JESD22-C101E
  • 100 mA I/O-Latchup-Strom, JESD 78
  • WLCSP12-Gehäuse (SOT2063-4), 1,405 mm x 1,055 mm mit 0,35 mm-Rastermaß
  • -40 °C bis +125 °C Betriebstemperaturbereich

Applikationen

  • Mobil
  • I3C, I2C und SMBus
  • SPI
  • Server

Technische Daten

  • 10ns/V maximale Eingangsübergangs-Anstiegs-/Abfallrate
  • 1 μA maximaler Eingangsableitstrom
  • Maximaler Ausgangsstrombereich im ausgeschalteten Zustand: 2 μA bis 3 μA
  • 2 pF typische Eingangskapazität
  • Typische I/O-Kapazität
    • 7 pF für A-Anschluss
    • 5,5 pF für B-Anschluss
  • Maximale Freigabezeit: 3 μs
  • Deaktivierungszeitbereich: 0,4 μs bis 0,8 μs
  • 0,3 ns maximale Ausgangsversatzzeit zwischen Kanälen
  • Datenratenbereich: 0.128Mbit/s bis 40Mbit/s
  • Thermischer Widerstand
    • 77,9°C/W Sperrschicht-Umgebungstemperatur
    • 9,3°C/W Sperrschicht-Oberseite-Charakterisierung

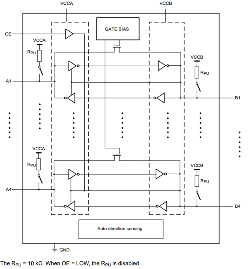
Blockdiagramm

Blockdiagramm - NXP Semiconductors P3A1604UK Einschwinger-Prüfkopf mit Pegelumsetzung und doppelter Stromversorgung

Typische Applikationsschaltung

Applikations-Schaltungsdiagramm - NXP Semiconductors P3A1604UK Einschwinger-Prüfkopf mit Pegelumsetzung und doppelter Stromversorgung

Bauweise

Schaltplan - NXP Semiconductors P3A1604UK Einschwinger-Prüfkopf mit Pegelumsetzung und doppelter Stromversorgung
Veröffentlichungsdatum: 2025-04-21 | Aktualisiert: 2025-04-24