NXP Semiconductors MC33GD3100 Erweiterte IGBT/SiC Gate-Treiber

Die fortschrittlichen IGBT-/SiC-Gate-Treiber   MC33GD3100 von NXP Semiconductors sind Einkanal-Gate-Treiber für isolierte Gate-Bipolartransistoren (IGBT) und Siliziumkarbid (SiC) Power -Bauteile. Die MC33GD3100 Gate-Treiber von NXP verfügen über erweiterte Funktionssicherheits-, Steuerungs- und Schutzfunktionen, wodurch sie sich hervorragend für Fahrzeuganwendungen und EV-Antriebsstrang-Applikationen eignen (vollständig AEC-Q100 Klasse 1 qualifiziert). Integrierte galvanische Trennung und Antriebstransistoren mit niedrigem Einschaltwiderstand sorgen für einen  hohen Lade- und Entladestrom, niedrige dynamische Sättigungsspannung und Rail-to-Rail -Gate-Spannungssteuerung. Die Strom- und Temperaturmessung minimiert die IGBT-Belastung bei Fehlern. Eine präzise und  konfigurierbare Unterspannungsabschaltung (UVLO) schützt und gewährleistet gleichzeitig einen ausreichenden  Spielraum für die Gate-Treiberspannung.

Der MC33GD3100 verwaltet autonom schwere Fehler und meldet Fehler und Status über den INTB-Pin und eine SPI-Schnittstelle. Er ist in der Lage, die Gates der meisten IGBTs und SiC-MOSFETs direkt anzusteuern. Selbsttest-, Steuerungs- und Schutzfunktionen sind im Design von Systemen mit hoher Zuverlässigkeit (ASIL C/D) enthalten.

Merkmale

  • SPI-Schnittstelle für die Sicherheitsüberwachung, Programmierbarkeit und Flexibilität
  • Geringe Laufzeitverzögerung und minimale PWM-Verzerrung
  • Bis zu 8 kV integrierte galvanische Signalisolierung
  • Integrierte Gate-Treiber-Leistungsstufe, die zu einer 15 A-Spitzenquelle und -Senke fähig ist
  • Vollständig programmierbare aktive Miller-Klemme
  • Mit negativer Gate-Versorgung kompatibel
  • Mit Strom- und Temperaturmess-IGBTs kompatibel
  • Integriertes sanftes Herunterfahren, zweistufiges Abschalten, aktive Klemme und segmentierter Drive für Wellenformung
  • CMTI: > 100 V/ns
  • >125 kW-kompatibel mit 200 V bis 1.700 V IGBT/SiC, Leistungsbereich > 7,8 mm externer Kriechstrecke (CPG)
  • >40 kHz Betriebsfrequenz
  • 5,0 V- und 3,3 V-tolerante MCU-Schnittstellen verfügbar
  • Betriebstemperaturbereich: -40 °C bis +125 °C
  • 32-poliges Wide-Body-SOIC-Gehäuse
  • Sicherheit
    • Zertifiziert gemäß ASIL D ISO26262 funktionale Sicherheitsanforderungen für vollständige Diagnosefunktionen
    • Strom-, DESAT- und Temperaturmess-Eingänge und ADC-Meldung für die IGBT-/SiC-Überwachung
    • Schneller Kurzschlussschutz, Überstromschutz, Temperaturwarnung und Abschaltung
    • Interrupt-Pin für eine schnelle Reaktion auf Fehler
    • Integrierte Selbstüberprüfung aller analogen und digitalen Schaltungen
    • Kontinuierlicher Watchdog der Chip-zu-Chip-Kommunikation
    • Totzeit-Durchsetzung
    • Über- und Unterspannungsüberwachung aller Stromversorgungen sowohl auf der Nieder- als auch auf der Hochspannungsseite
    • Ausfallsichere Zustandsmanagement-Pins sowohl auf der Nieder- als auch auf der Hochspannungsseite
    • VGE-Echtzeit-Zyklus-für-Zyklus-Überwachung
  • Behördliche Genehmigungen
    • Verstärkte Isolierung gemäß DIN V VDE V 0884-10
    • Hält einer Isolierung von 2.500 VRMS (1 Minute) gemäß UL 1577 stand
    • CSA-Bauteilabnahmeerklärung 5A
    • Für Fahrzeuganwendungen gemäß AEC-Q100 Klasse 1 qualifiziert

Applikationen

  • Batteriemanagementsysteme (BMS)
  • Elektrofahrzeug-Traktionswechselrichter
  • Hybrid-Elektrofahrzeuge (HEVs)
  • Industrielle Motorantriebe

Blockdiagramm

Blockdiagramm - NXP Semiconductors MC33GD3100 Erweiterte IGBT/SiC Gate-Treiber

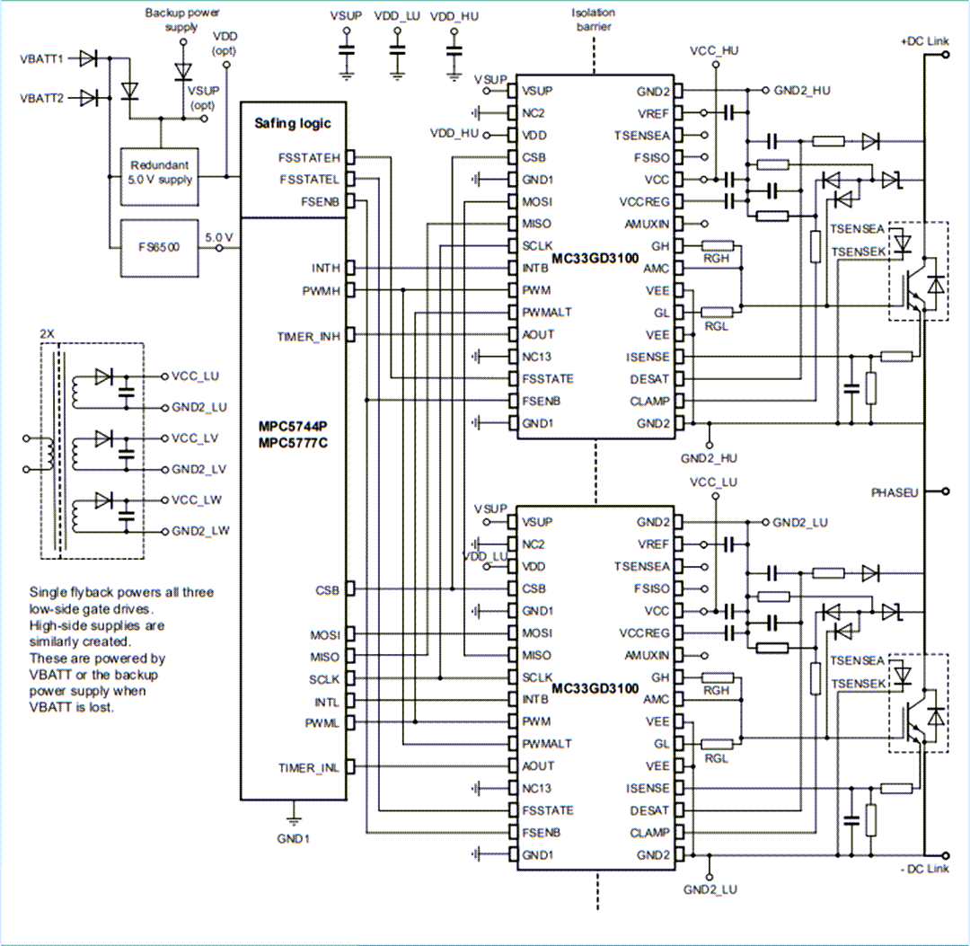
Typische Applikations-Schaltung

Applikations-Schaltungsdiagramm - NXP Semiconductors MC33GD3100 Erweiterte IGBT/SiC Gate-Treiber
Veröffentlichungsdatum: 2020-01-16 | Aktualisiert: 2024-10-30