NXP Semiconductors i.MX RT1180 Crossover-Mikrocontroller (MCU)
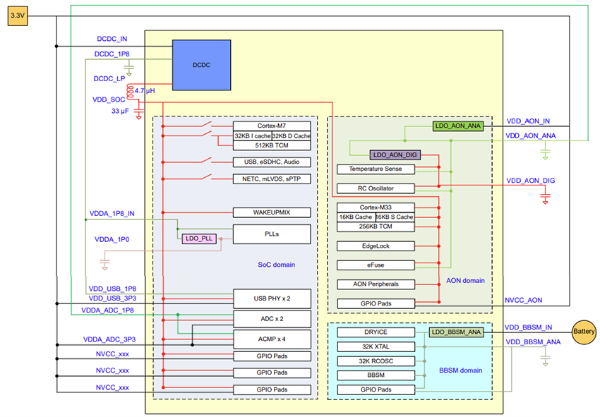
Die Crossover-Mikrocontroller (MCU) i.MX RT1180 von NXP Semiconductors verfügen über einen leistungsstarken Arm® Cortex®-M7-Core, der mit Geschwindigkeiten von bis zu 800 MHz arbeitet, und einen energieeffizienten Cortex-M33-Core mit bis zu 300 MHz. Der NXP i.MX RT1180 verfügt über Funktionen für industrielle Gateways, die die Unterstützung von industriellen Echtzeitprotokollen (Profinet, EtherCAT, EtherNet/IP und mehr) ermöglichen. Die MCUs unterstützen außerdem TSN-basierte Protokolle über ein hochmodernes Ethernet-Schalter-Subsystem und einen großen 1,5 MB On-Chip-RAM, der mit ECC geschützt ist. Diese Bauelemente sind für Applikationen in verschiedenen Bereichen wie Industrieautomatisierung, Gebäudeautomation, Energie oder das Internet der Dinge (IoT) ausgelegt.Die i.MX RT1180 MCUs verfügen über ein integriertes erweitertes Leistungsmanagement mit DC/DC und LDO-Reglern (Low-Dropout), wodurch die Komplexität der externen Stromversorgung reduziert wird. Das fortschrittliche Leistungsmanagement vereinfacht außerdem die Leistungssequenzierung und bietet ein großes Subsystem, das eine breite Auswahl von Applikationen ermöglicht, darunter Speicher- und Konnektivitätsschnittstellen (CAN-FD, LPUART, LPSPI, LPI2C, FlexIO).
Die NXP i.MX RT1180 Bauteile integrieren mehrere Sicherheitsfunktionen darunter ein erweitertes Secure Enclave-Subsystem, eine Physical Unclonable Funktion (PUF), On-The-Fly AES Decryption (OTFAD), einen Trusted Resource Domain Regler (TRDC), ein Batterie-unterstütztes Sicherheitsmodul (BBSM) und eine Inline Encryption Engine (IEE).
Merkmale
- Arm Cortex-M7 bei 800 MHz und Arm Cortex-M33 bis zu 300 MHz – optional ein einzelner Arm Cortex-M33 Core
- Software und Tools
- MCUXpresso Entwicklererfahrung
- Auswahl der IDE
- Pin-, Takt-, Peripherie-, Sicherheits- und Speicher-Konfigurations-Tools
- Sicherheits-Programmierungs- und Bereitstellungs-Tools
- Software Development Kit (SDK)
- Unterstützt Zephyr RTOS
- Unterstützung von Industrieprotokollen
- MCUXpresso Entwicklererfahrung
- Netzwerke
- Erster Echtzeit-Mikrocontroller (MCU) mit integriertem GBps-TSN-Schalter (Time-Sensitive Netzwerk ), der mehrere Protokolle unterstützt und die Kommunikation zwischen vorhandenen Systemen und Industry 4.0 überbrückt
- Echtzeit-Industrieprotokolle für Ethernet wie Profinet, Ethernet/IP, EtherCAT, CC-Link IE Field, HSR und mehr
- Neueste TSN-Standards, die IEC 60802 für die Industrieautomatisierung entsprechen
- TSN-basierte Protokolle wie OPC UA Pub-Sub, Profinet über TSN und CC-Link IE TSN
- Bis zu 5 Gbit/s Anschlüsse, davon 4 Anschlüsse auf dem TSN-Schalter (Layer 2) und 1 Anschluss auf dem TSN-Endpunkt-Regler
- L2-Management mit erweiterten Flusssteuerungsfunktionen, einschließlich Anschlussfiltern und mehr
- Erster Echtzeit-Mikrocontroller (MCU) mit integriertem GBps-TSN-Schalter (Time-Sensitive Netzwerk ), der mehrere Protokolle unterstützt und die Kommunikation zwischen vorhandenen Systemen und Industry 4.0 überbrückt
- Erweiterte Sicherheit
- Crossover-MCU mit integriertem EdgeLock® Secure Enclave – ein vorkonfiguriertes, selbstverwaltetes, autonomes Sicherheitssubsystem, das die Implementierung robuster, systemweiter Sicherheit für vernetzte, industrielle IoT-Applikationen vereinfacht
- Bietet eine komponentenbasierte Grundlage für die Einhaltung des IEC 62443-Systems
- Root-of-Trust-Anforderungen in komplexen vernetzten Systemen mit sicherem Boot, sicherem Schlüsselmechanismus und Hochleistungskryptographie
- Physische Manipulationsüberwachung auf Systemebene mit sicheren RTC und 10 Manipulations-Pins
- Bis zu 1,5 MB SRAM (ECC-geschützt) mit 512 KB von TCM für Arm Cortex-M7 und 256 KB von TCM für Arm Cortex-M33
- Analog
- Hochgeschwindigkeits 16-Bit ADCs.
- Erweiterte Timer/PWM und Delta-Sigma-Demodulatoren
- -40 °C bis +125 °C industrieller Temperaturbereich
- Gehäuseoptionen
- 289 MAPBGA, 14 mm x 14 mm, Raster 0,8 mm
- 144 MAPBGA, 10 mm x 10 mm, Raster 0,8 mm
Applikationen
- Gebäude- und Fabrikautomatisierung
- Industrieautomatisierung
- Gesundheitswesen
- Industrielle Gateways
- Bewegungssteuerung und Robotik
- Motorantriebe
- Speicher-programmierbare Logikschaltung und Remote-I/Os
- IoT
Videos
Blockdiagramm
Leistungsarchitektur
