NXP Semiconductors GD3160 Erweiterte Gate-Treiber
NXP Semiconductors GD3160 Erweiterte Gate-Treiber sind für den Antrieb von SiC- und IGBT-Modulen für xEV-Traktionswechselrichter, OBC und DC/DC-Wandler ausgelegt. Der GD3160 verfügt über eine integrierte galvanische Trennung, eine programmierbare Schnittstelle über SPI und erweiterte programmierbare Schutzoptionen, wie z. B. Übertemperatur-, Entsättigungs- und Strommessschutz.Die GD3160 erweiterten Gate-Treiber von NXP Semiconductors steuern SiC-MOSFETs und IGBT-Gates direkt über eine leistungsstarke Schaltung, einen niedrigen dynamischen Einschaltwiderstand und eine Rail-to-Rail-Gate-Spannungssteuerung an.
Der GD3160 verwaltet eigenständig Fehler, meldet den Status des Leistungsbauteils und Gate-Treibers über die INTA- und INTB-Pins und die SPI-Schnittstelle. Der GD3160 enthält Selbsttest-, Steuerungs- und Schutzfunktionen für die Entwicklung von Systemen mit hoher Zuverlässigkeit (ASIL C/D) und erfüllt die strengen Anforderungen von Fahrzeuganwendungen, die vollständig AEC-Q100 Klasse 1 qualifiziert sind.
Merkmale
- Integrierte galvanische Signaltrennung (bis zu 8 kV)
- Hoher Gate-Strom, der von einer Quelle/Senke von 15 A integriert ist
- SPI-Schnittstelle für die Sicherheitsüberwachung, Konfiguration und Diagnosemeldung
- Unterstützt hohe Schaltfrequenzen von PWM bis zu 100 kHz
- Ausfallsicheres Zustandsmanagement von LV- und HV-Domäne für einen vom Benutzer wählbaren sicheren Zustand
- Programmierbarer Gate-Spannungsregler über einen erweiterten Bereich
- Temperaturmessung kompatibel mit NTC- und PTC-Thermistoren
- Konfigurierbare Entsättigung und Strommessung, optimiert für den Schutz von SiC und IGBTs
- Integrierte Soft-Abschaltung, zweistufige Abschaltung, optimiert für einzigartige Gate-Drive-Anforderungen von SiC
- VCE- und VGE-Überwachung in Echtzeit über INTA-Pin
- Integrierter ADC für die Parameterüberwachung von der HV-Domäne
- CMTI > 100V/ns
- Kompatibel mit 200 V bis 1700 V IGBT/SIC, Leistungsbereich > 125 kW
- Betriebstemperaturbereich von -40 °C bis +125 °C
- Externe Kriechstrecke (CPG) von > 7,8 mm
- Erhältlich in 3,3-V- oder 5,0-V-I/O-Logikschnittstellen-Ausführungen
- 32-Pin-SOIC-Gehäuse mit kleinem Footprint (8 mm x 13 mm)
- Sicherheitszertifizierungen und behördliche Genehmigungen
- Verstärkte Isolierung gemäß DIN V VDE V 0884-10
- Widersteht einer Isolierung von 5.000 V RMS (1 Minute) gemäß UL 1577
- CSA Component Acceptance Notice 5A
- Für Fahrzeuganwendungen gemäß AEC-Q100 Klasse 1 qualifiziert
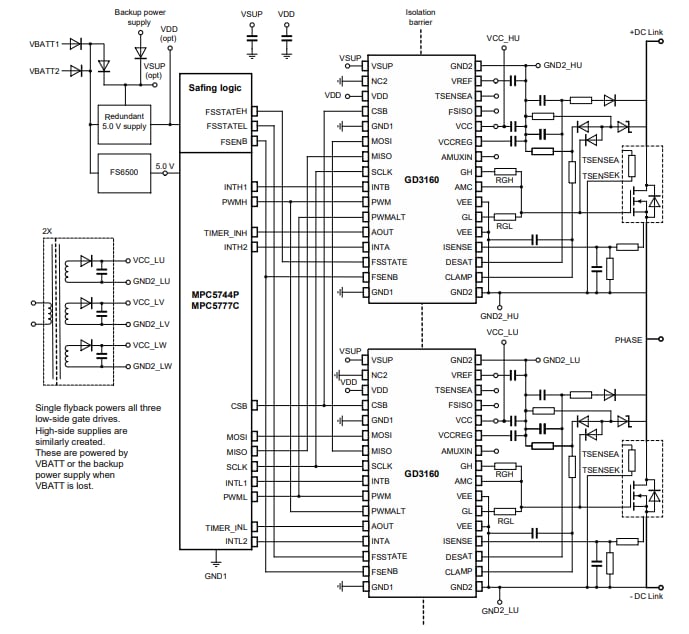
Vereinfachtes Applikationsdiagramm
Veröffentlichungsdatum: 2022-06-01
| Aktualisiert: 2024-06-10
