Nexperia SOT8009 oberflächenmontierbare Gehäuseprodukte
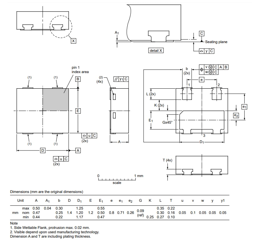
Die oberflächenmontierten Nexperia SOT8009-Gehäuseprodukte bieten ein unbedrahtetes Ultra-Small-Outline-Gehäuse aus Kunststoff mit seitenbenetzbaren Flanken (SWF). Das SOT8009-Gehäuse hat drei Anschlüsse, einen Raster von 0,8 mm und ein Gehäuse von 1,4 mm x 1,2 mm x 0,48 mm. Die SOT8009-Produkte verwenden einen DFN1412D-3-Beschreibungscode und ein USON-Gehäuse (ultra thin small outline; no leads). Die SOT8009 Gehäuseprodukte zur Oberflächenmontage unterstützen einen Footprint von 2 mm x 1,7 mm und eine Footprint-Fläche von 3,4 mm2.Merkmale
- B (unten) Code der Klemmenposition
- DFN1412D-3 Beschreibender Code für die Gehäuseausführung
- DFN1412D-3 Industriecode für die Gehäuseausführung
- USON (Ultra Thin Small Outline; keine Leitungen) Packungsstil-Beschreibungscode
- Gehäusematerialtyp: P (Kunststoff)
- MO-340CA JEDEC-Gehäuseumriss-Code
- S (Oberflächenmontage) Montageart
- Keine detaillierten grafischen Referenzen des Gehäuseumrisses
- 6-12-2019 Ausgabedatum
- SOT8009 Verpackungscode des Herstellers
- Footprint-Abmessungen: 2 mm x 1,7 mm
- Footprint-Fläche: 3,4 mm2
Gehäuse Zusammenfassung
Videos
Gehäuseabmessungen
Veröffentlichungsdatum: 2022-07-21
| Aktualisiert: 2025-12-18
